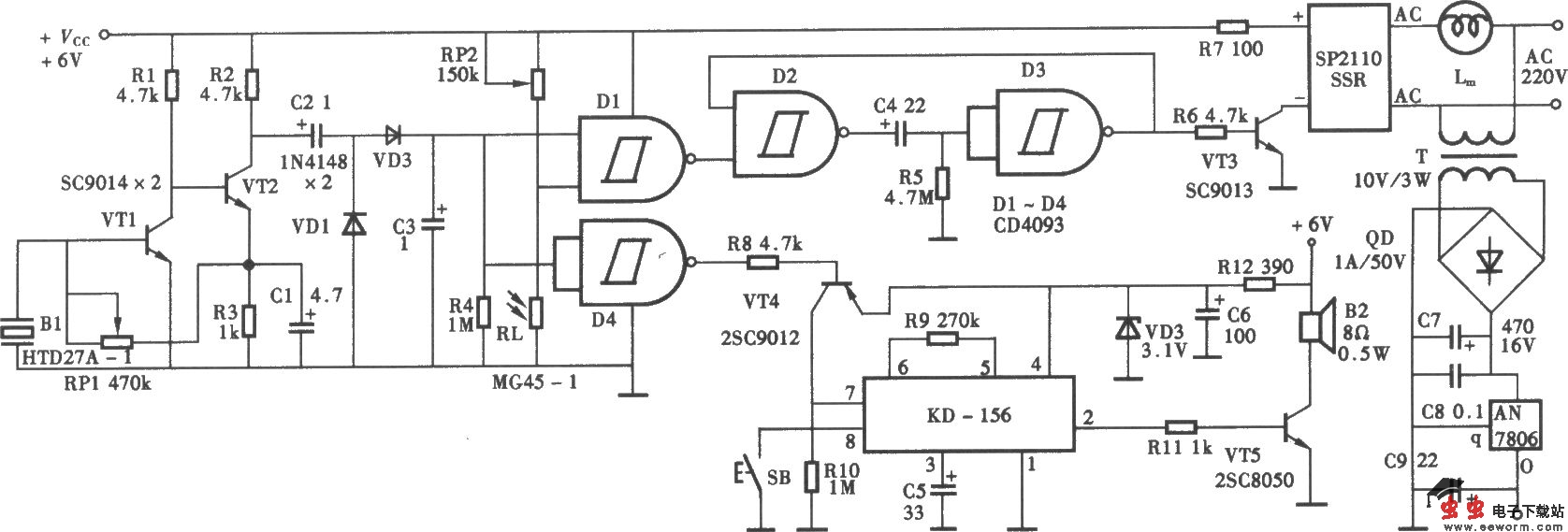
声光控制的门灯,门铃电路

📅 发布时间:2013-10-08 08:20 👁️ 浏览:0 🏷️ 标签: 声光控制 门灯 门铃电路

本电路图所用到的元器件:

KKD-156 7806 22SC8050 CCD4093 SSP2110 MG45 9014

觉得这篇文章有帮助吗?