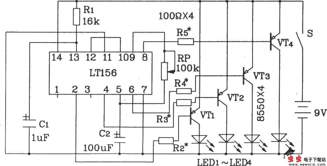
LTl56单片4路彩灯控制集成电路典型应用电路

📅 发布时间:2013-10-02 17:30 👁️ 浏览:1 🏷️ 标签: LTl 56 彩灯控制 典型

LTl56单片4路彩灯控制集成电路典型应用电路

LTl56单片4路彩灯控制集成电路典型应用电路

图中LT156内部振荡器的工作频率由外接阻容元件RP和C2的数值决定。增大KP或C2的数值,振荡频率减慢,反之则加快。

觉得这篇文章有帮助吗?