
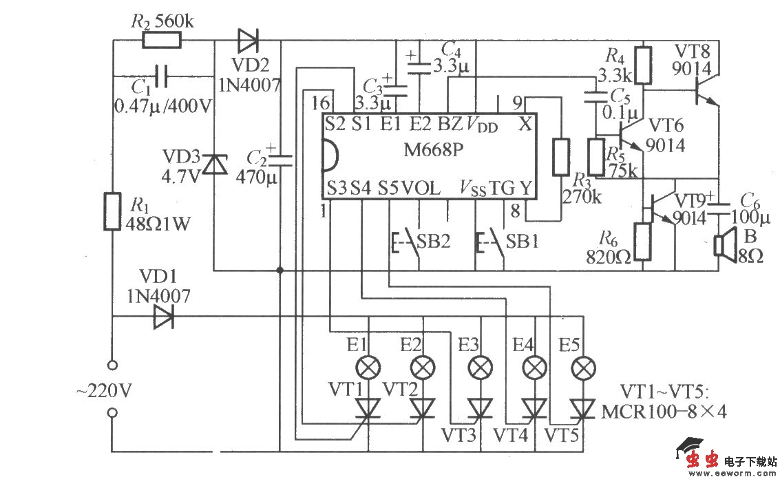
如图所示是带音乐输出的五路闪烁灯串控制器,电路核心器件是深圳天浪半导体有限公司生产的圣诞树专用M668P灯控集成电路,该电路采用DIP-16封装,也可根据客户要求提供黑膏软封装,工作电压典型值为4.7V。M668P芯片内存25首世界名曲及多种花样变化程序,能产生优美动听高音质的声音效果,并具有五路输出使彩灯随音乐的旋律节奏及内存的花样程序闪烁发光,适用于高档圣诞树灯串、节日彩灯、店面与橱窗灯光装饰。VT1~VT5可用MCR100-8小型塑封单向晶闸管。

如图所示是带音乐输出的五路闪烁灯串控制器,电路核心器件是深圳天浪半导体有限公司生产的圣诞树专用M668P灯控集成电路,该电路采用DIP-16封装,也可根据客户要求提供黑膏软封装,工作电压典型值为4.7V。M668P芯片内存25首世界名曲及多种花样变化程序,能产生优美动听高音质的声音效果,并具有五路输出使彩灯随音乐的旋律节奏及内存的花样程序闪烁发光,适用于高档圣诞树灯串、节日彩灯、店面与橱窗灯光装饰。VT1~VT5可用MCR100-8小型塑封单向晶闸管。