室内摄影补光灯电路

📅 发布时间:2013-10-02 17:05 👁️ 浏览:1 🏷️ 标签: 光灯 电路

室内摄影补光灯电路

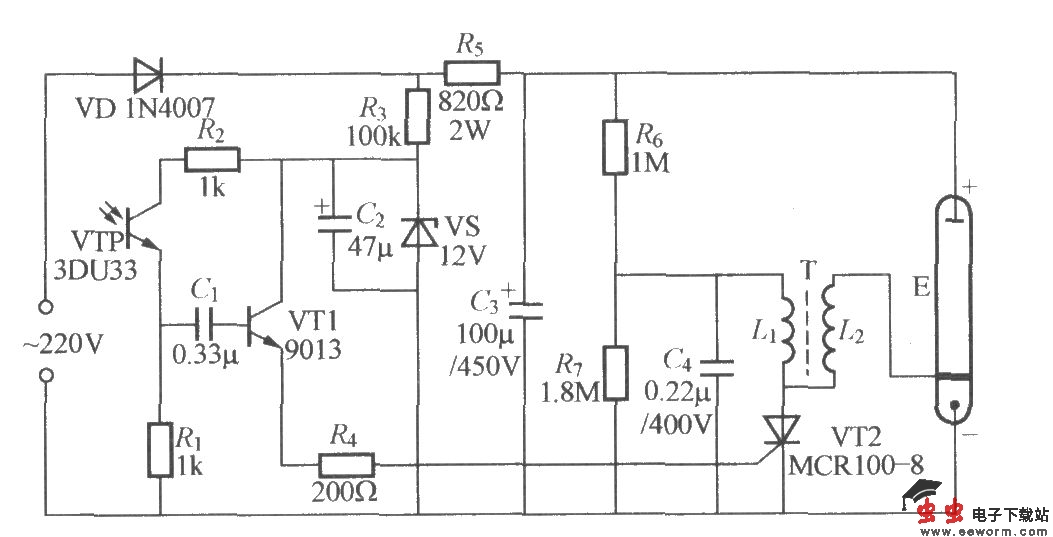
如图所示是一简单的室内摄影补光灯电路,它采用光控驱动,只要照相机闪光灯一亮,它就同步发出闪光,为被摄人像补光。脉冲变压器T采用厚度为0.35mm的硅钢片叠制,芯柱面积为5mm×8mm。L1用Φ0.31mm高强度聚酯漆包线绕16匝;L2用Φ0.08mm高强度聚酯漆包线在L1外绕1450匝。

觉得这篇文章有帮助吗?