
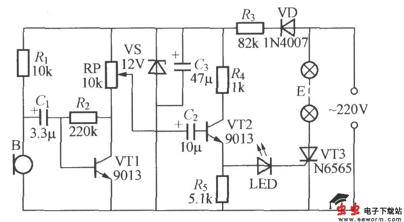
如图所示是另一种接法的声控式音乐彩灯,它的电路比较简单,成本低廉,效果相当很好。晶闸管VT3构成彩灯E的主回路,VT1、VT2组成控制回路,220V交流电经VD整流、R3降压、VS稳压和C3滤波后输出约12V稳定的直流电压,供控制回路用电。话筒B拾取室内环境的声波信号并将其转换为电信号,经三极管VT1级放大,放大后信号经RP、 C2流入的VT2的基极(RP为声控灵敏度调节电位器)。VT2接成无偏置的射极跟随器,音乐信号由VT2发射极整流作为其偏置电压,从而改变VT2发射极输出电流的大小。此电流经发光二极管LED注入晶闸管VT3的门极,改变VT3的导通角,使串联在它阳极回路里的彩灯串E跟随室内音乐节奏而闪烁。LED也能闪闪发光,同时它兼作电源指示。