声控式音乐彩灯电路(2)

📅 发布时间:2013-10-02 15:55 👁️ 浏览:0 🏷️ 标签: 声控 音乐彩灯 电路

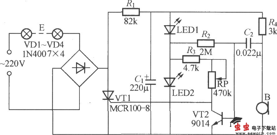
声控式音乐彩灯电路(2)

如图所示是一个改进的声控式音乐彩灯。(1)采用桥式全波电路,流过彩灯串的电流为全波脉动电流,所以灯串亮度提高很多; (2)采用两只发光二极管LED1、 LED2供电,一方面可从发光二极管两端取得一个稳定的直流电压,同时发光管还能兼作电源指示;(3)将声-电换能器采用驻极体电容话筒,能有效提高声波控制的灵敏度。

觉得这篇文章有帮助吗?