五路闪烁灯串电路(3)(Y977A)

📅 发布时间:2013-10-02 15:25 👁️ 浏览:1 🏷️ 标签: Y977A 闪烁灯 电路

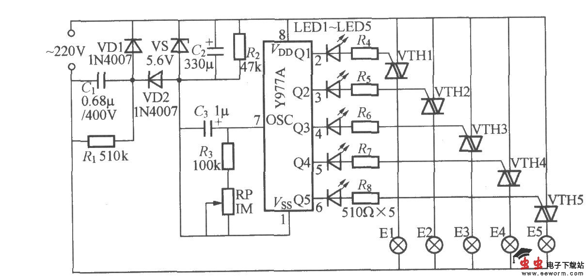
五路闪烁灯串电路(3)(Y977A)

如图所示电路中,VTH1~VTH5可用MAC94A4型等小型塑封双向晶闸管,其最大驱动电流为1A。

觉得这篇文章有帮助吗?