LD168音频压控卡拉0K彩灯发光控制电路

📅 发布时间:2013-10-02 00:45 👁️ 浏览:1 🏷️ 标签: 168 LD 音频 压控

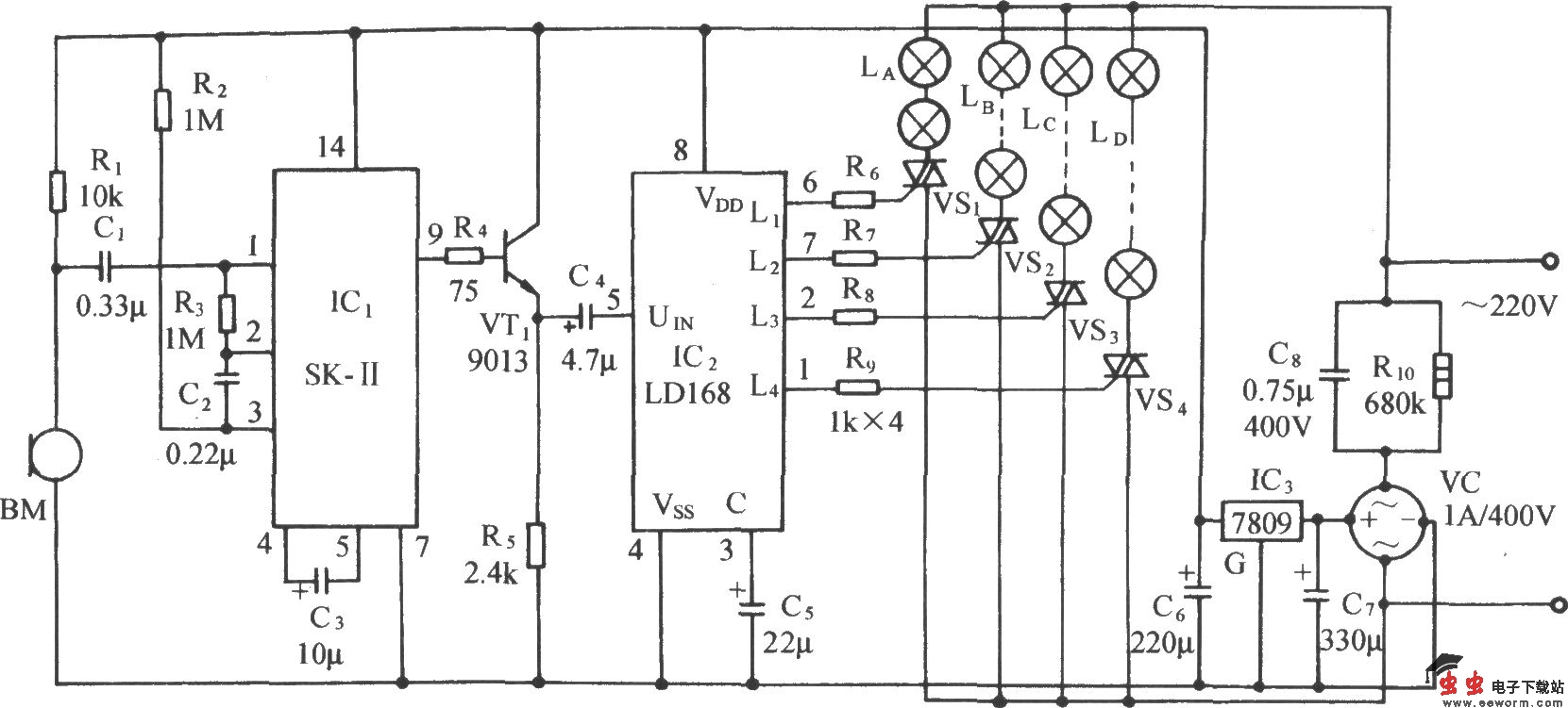
LD168音频压控卡拉0K彩灯发光控制电路

如图所示电路,它以收录机音频压控闪光专用集成电路LD168为核心组成,它通过外接的可控硅驱动四路彩灯。

觉得这篇文章有帮助吗?