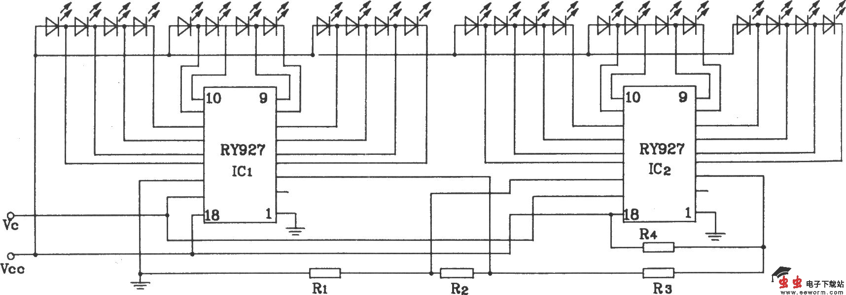
两只RY927联级应用电路

📅 发布时间:2013-10-01 02:00 👁️ 浏览:1 🏷️ 标签: 927 RY 应用电路

两只RY927联级应用电路

两只RY927联级应用电路 RY927联级使用时,只需将相关的输入端按图连接即可。多于两级时也可如法炮制。但须注意,RY927最多允许7只联级,也即最多可驱动84只LED。 RY927除了上述应用外,还可构成自动调光、测速表等电路。如果精度要求不高,则还可用于电压指示,场强指示等电路中。

觉得这篇文章有帮助吗?