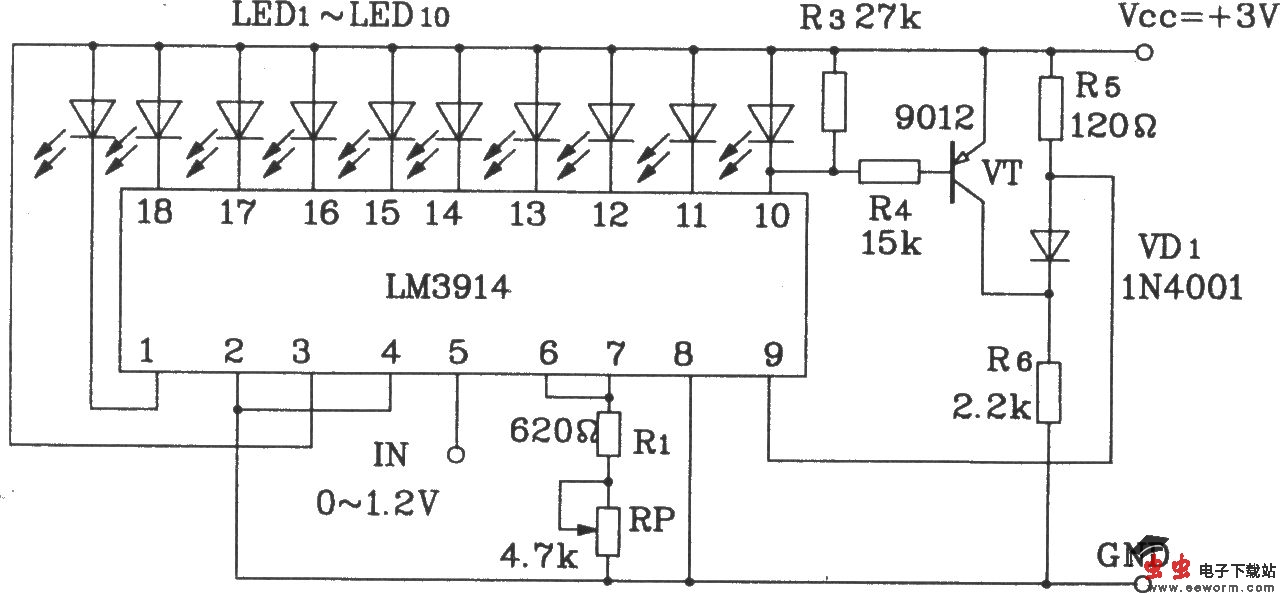
LM3914构成点显示、线溢出的LED显示电路

📅 发布时间:2013-10-01 01:05 👁️ 浏览:0 🏷️ 标签: 3914 LED LM 溢出

LM3914构成点显示、线溢出的LED显示电路

LM3914构成点显示、线溢出的LED显示电路

此电路无溢出时为点显示工作模式。当满记得度溢出时,LED变为线显示工作模式,从而指示已恨生溢出。

觉得这篇文章有帮助吗?