保险丝熔断指示电路

📅 发布时间:2013-09-30 20:20 👁️ 浏览:1 🏷️ 标签: 保险丝 熔断 指示电路

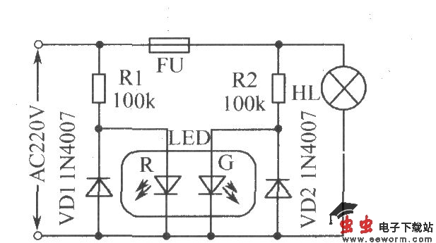
保险丝熔断指示电路

如图所示为保险丝熔断指示电路。LED-R作交流电源指示,LED-G作保险丝FU状态指示。当FU正常时,两LED都亮,呈橘红色;当FU熔断后,LED-G熄灭,只有 LED-R发红光。限流电阻R10、R2可用220nF/450V的电容代替,VD1、VD2可省去不用。

觉得这篇文章有帮助吗?