DSM-872典型应用电路(一)

📅 发布时间:2013-09-30 19:45 👁️ 浏览:0 🏷️ 标签: DSM 872 典型 应用电路

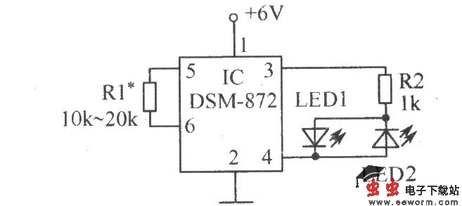
DSM-872典型应用电路(一)

如图所示电路,当IC的3、4脚交替为高、低电平时,发光二极管LED1和LED2轮流发光

觉得这篇文章有帮助吗?