DSM-872典型应用电路(二)

📅 发布时间:2013-09-30 19:50 👁️ 浏览:0 🏷️ 标签: DSM 872 典型 应用电路

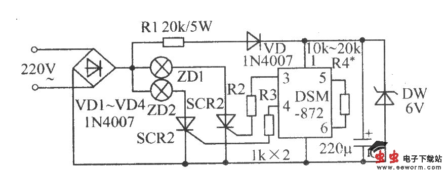
DSM-872典型应用电路(二)

如图所示电路,由于3、4脚高低电平交替输出,SCR1和SCR2轮流开通,两灯泡便轮流闪光。

觉得这篇文章有帮助吗?