SL6619 FSK 450MHz接收器

📅 发布时间:2013-09-29 03:35 👁️ 浏览:1 🏷️ 标签: 6619 450 FSK MHz

 

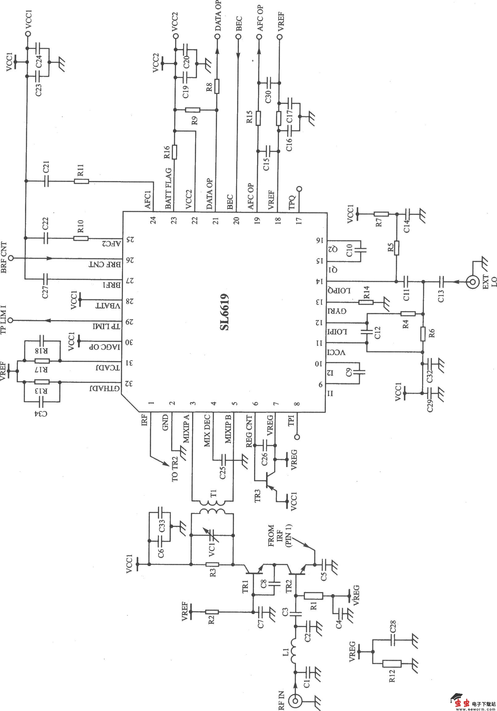
SL6619是一款直接变换FSK 数字接收器,适用于寻呼机、信用卡、PCMCIA 、监护寻呼、低传输速率接收机和安全系统等领域。 主要技术特点如下: ·工作频率为450 MHz; ·数据传输速率为512/1200/2400 b/S; ·高灵敏度(-123 dBm,2400 b/s); ·具有RF、音频自动增益控制(AGC)、自动频率控制和低功耗功能; ·有可编程检波滤波器、片内1 V基准电压、电池强度指示; ·采用高度为l mm的微型封装。

 

SL6619 应用电路 SL6619应用电路元器件

觉得这篇文章有帮助吗?