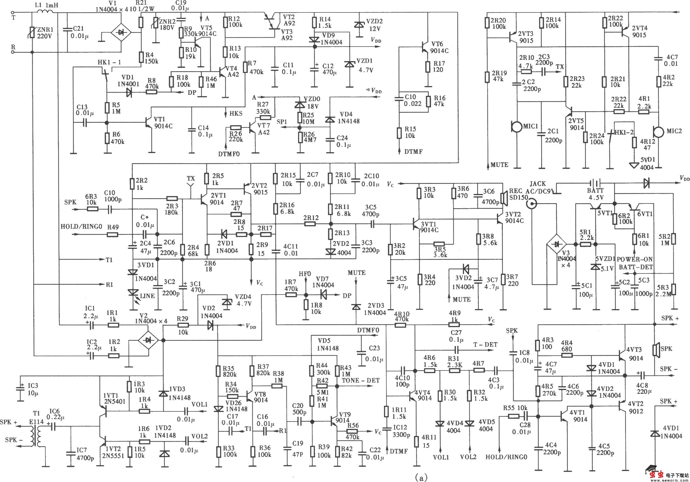
渴望HCD(15E)p/TSDL型来电显示、语言报号多功能电话机电路(a)

📅 发布时间:2013-09-28 23:10 👁️ 浏览:0 🏷️ 标签: TSDL HCD 15E 来电显示

渴望HCD(15E)p/TSDL型来电显示、语言报号多功能电话机电路(a)

觉得这篇文章有帮助吗?