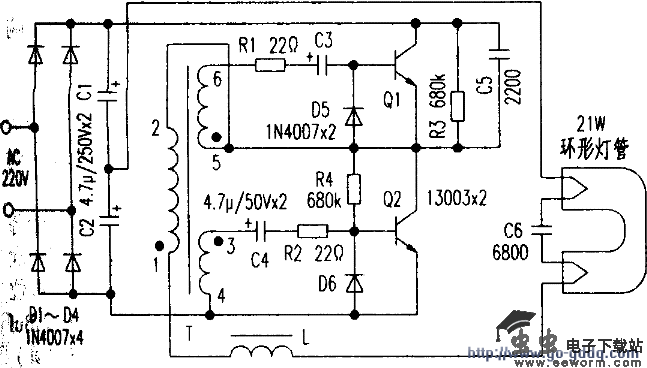
该灯具为广东产环形日光灯管。型号为NTA-Y2lX,额定电压AC220V,输入功率2lW。按实物测绘出该灯电路图(如附图所示)。
工作原理:
通电后220V交流电经Dl~D4桥式整流、电容Cl、C2滤波(Cl、C2每个电容充有约155V的直流电压,C1、C2串联叠加电压约为3lOV)。由于C5通电时两端电压为零,故此310V电压便加在02的c-e极上,有电流流过R4和Q2的b-e极,Q2迅速导通。此时,流经灯管两端灯丝、C6、电感L和高频变压器T的(1)-(2)端绕组的电流不断增大,在T(1)、(2)端感应出电动势((1)端+,(2)端-),阻碍电流的增加;而T(3)、(4)端感应出电动势((3)端+,(4)-),对C4充电(C4充有左端+,右端-的电压),增大Q2基极电流,Q2迅速进入饱和导通。同时,T(5)、(6)端感应出电动势((5)端+,(6)端-),对C3反向充电Ql因加反向偏压而截止。
当(1)、(2)端的电流增加到最大时,其(3)、(4)端;(5)、(6)端感应电动势消失。此时由于C3、C4电容的放电,使Ql由截止变为导通。Q2由导通变为截止,流过T(1)-(2)绕组的电流迅速减小为零。
而后由Cl的正极流出的电流经Q1的c-e极,T(2)-(1)绕组、电感L、灯管两端灯丝与C6流入Cl的负极,当流过T(1)-(2)绕组电流迅速减小并呈反向增大的同时,T(1)、(2)端又感应出反向感应电动势((2)端+,(1)端一),阻碍正向电流的减小和反向电流的增加。T(3)、(4)端感应出电动势((4)端+,(3)端-)与C4原来充有的电压(左端+,右端-)相叠加,使Q2更加截止并迅速对C4反向充电。
而T(5)、(6)端也感应出反向电动势((6)端+,(5)端-)与C3原来充有的反向电压(左端-,右端+)相叠加,使Ql迅速饱和导通并迅速对C3正向充电。流过T(1)-(2)绕组的反向电流又很快增加到最大,T的(1)、(2)端,(3)、(4)端,(5)、(6)端感应电动势消失。此时,由于C3、C4电容的放电,使Q1由导通变为截止,Q2由截止变为导通。
如此Ql、Q2周而复始轮流导通与截止(C3、C4被反复正向充电和反向充电),流过灯管两端灯丝和C6的电流为高频交流电。若干个周期后,灯管两端灯丝被加热发射电子,C6与L谐振产生的高压加在灯管两端,使灯管内气体电离导通,此时高频交流电便流过灯管使灯管发光。

吸顶式荧光灯电路的工作原理分析
觉得这篇文章有帮助吗?