佳生CCFL可调光护眼灯电路原理分析

📅 发布时间:2013-09-26 02:30 👁️ 浏览:4 🏷️ 标签: CCFL 可调光 护眼灯

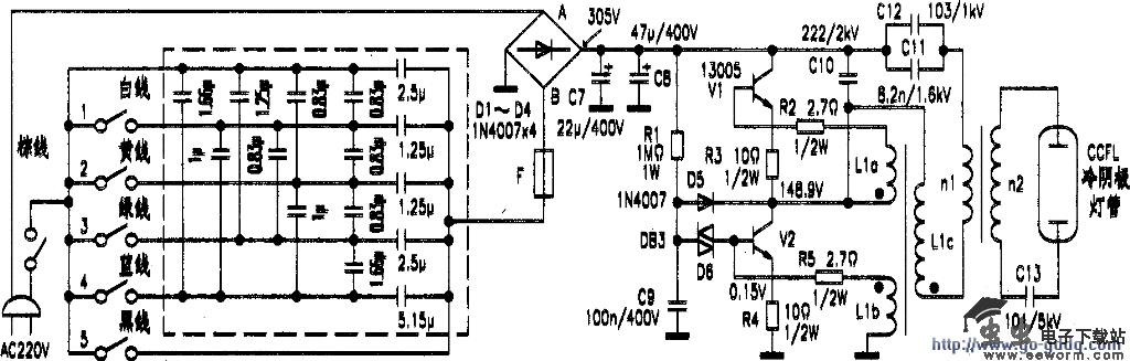
理想的阅读光源应具备白色光、无闪烁、亮度可调及光照均匀等特性,佳生护眼灯是一款亮度在600-1300LX范围内六挡可调,采用金新冷阴极荧光灯管(即CCFL),寿命可达15000小时的护眼灯,依实物测绘的原理图见附图所示,供参考。

亮度 挡位 开关1 开关2 开关3 开关4 开关5 电压U(见附图A,B两点)
  1 断开 断开 断开 断开 断开 172V
  2 闭合 断开 断开 断开 断开 191V
  3 闭合 闭合 断开 断开 断开 199V
  4 闭合 闭合 闭合 断开 断开 206V
  5 闭合 闭合 闭合 闭合 断开 213V
  6 闭合 闭合 闭合 闭合 闭合 220V
[!--empirenews.page--]
  由图可知,该灯最大的特点就在于虚线框内的调光模块电路,它是由很多电容串并联组成,由此改变加到由D1至D4组成的整流桥上的交流电压的数值,达到改变灯的亮度的目的,这样做的好处是不用改变后级电路的参数,确保了灯管无闪烁,这是该灯比较独特之处,灯的亮度、开关的关系及电压值见附衰所示。
  电路其他部分原理简述如下:经调光模块后输入的交流电压由D1~D4整流、C7、C8滤波后经R1向C9充电,当C9两端电压充电到D6的转折电压后,双向触发二极管D6导通,从而使V2迅速饱和导通,此时B1的反馈作用使V1截止。当V2饱和导通后C9两端电压下降,流过L1b的电流减小,在L1b两端感生出一个上负下正的电压,同时使L1a两端感生出上正下负的反馈电压,则V1迅速饱和导通,又由于B1的反馈作用使V2迅速截止,如此周而复始形成高频振荡。由L1c、B2、C11、C12构成负载回路,这也是和其他护眼灯又一不同之处。普通的护眼灯(包括常见的节能灯)是直接由L、C及灯管构成末级负载。而本灯却是再次由高频变压器B2进行升压,然后才是由B2次级饯圈n2、电容C13及CCFL灯管组成的束级负载回路。图中D5是为C9的放电而设,其作用是阻止启动电路在V1饱和导通后继续对V2提供激勋信号,避免V1、V2共同导通而烧毁,R3、R4用于V1、V2的过流保护。B1的参数如下;在φ10mm×5mm的高频磁环上L1a、L1b绕制5圈,L1c绕制3圈,线径均为由φ0.2mm;B2是在规格为24mm×16mm×6mm的EI型高频磁芯上初级线圈n1绕200匝,次级线圈n2绕1200匝,线径均为φ0.09mm,在路测量B2的初、次级线圈阻值分别约为5.8Ω、125Ω(参考)。
  该护眼灯常见故障现象是通电后启动困难或无反应,该故障一般是B2有轻微短路或线圈断路所致,此时保险管F是完好的。可参考上述重新绕制B2,绕制时一定要注意绝缘处理。当V1、V2击穿短路进而导致D1~D4中的元件被击穿时通电后也无反应,此时保险管F内部熔丝烧断且严重发黑。检修时还要注意R3、R4是否连带损坏。V1、V2的参数是Vce=400V,Vcb=500V,ICM=6A,Pcw=35W。若无原型号件可用BUT11A、BU406代换。其他的易损坏部分是C11、C12、C13,这几只电容往往因高压而击穿,致使灯管不能点亮,检修时要格外注意。再就是启动电路中的R1,当该电阻阻值意外变大后电路就很难启动或根本不振荡。

觉得这篇文章有帮助吗?