86型声光控照明灯。是一种成熟的产品。其控制板与螺口灯头合为一体。
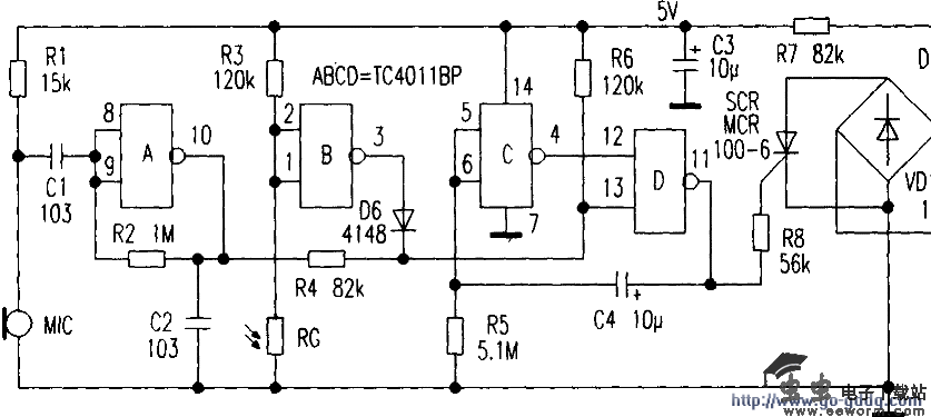
印板装在灯头底座,驻极体话筒MIC和光敏电阻RG置于底座内壁。在内壁上方开有小孔,便于进光和传送声音。该灯通常安装在楼道墙壁的上方。晚上凭走路的脚步声和说话声自动点亮,人走后自动熄灭。电路见附图。
工作原理
市电经D5整流、R7限流、C3滤波后的工作电压约为5V。在白天,光敏电阻RG阻值小,与非门电路B输入端为低电平,因而B输出高电平。D6导通。平时门电路C输入端为低电平因而输出高电平。由于门电路D的(12)、(13)脚均为高电平,因此(11)脚输出低电平,可控硅SCR截止,照明灯L不亮。在晚上光线弱时,光敏电阻RG阻值变大,B输入端呈现高电平,因而(3)脚输出低电平,D6截止,当话筒MIC接收声波而产生的话音电流加到门电路D的(13)脚后,(11)脚输出高电平,SCR导通,灯L点亮。同时电容C4被充电,灯L继续被点亮,调节R5、C4的值,可改变充电时间的长短,即灯亮延迟时间的长短,按图中数据为22秒。
笔者将该声光控照明灯安装在床边,晚上躺在床上需要灯亮时。只要用手指轻敲床板或嘴里“哼”一声,灯立即点亮,延迟一段时间后熄灭,非常方便。

86型声光控照明灯电路分析
觉得这篇文章有帮助吗?