用M668构成的步进调光台灯电路

📅 发布时间:2013-09-25 23:45 👁️ 浏览:1 🏷️ 标签: M668 步进 调光台灯 电路

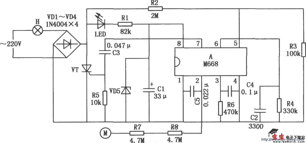
M668构成的步进调光台灯电路

步进调光台灯电路如图所示。M668是一种新颖的四挡触摸式步进调光集成电路,每触摸一次,灯光就改变一挡,即灯光的亮度可在弱光一中光一强光一熄灭之间依次切换。由M668模块构成的步进调光台灯可通过触摸方式方便地改变室内光线的强度,满足用户的不同需求。

觉得这篇文章有帮助吗?