
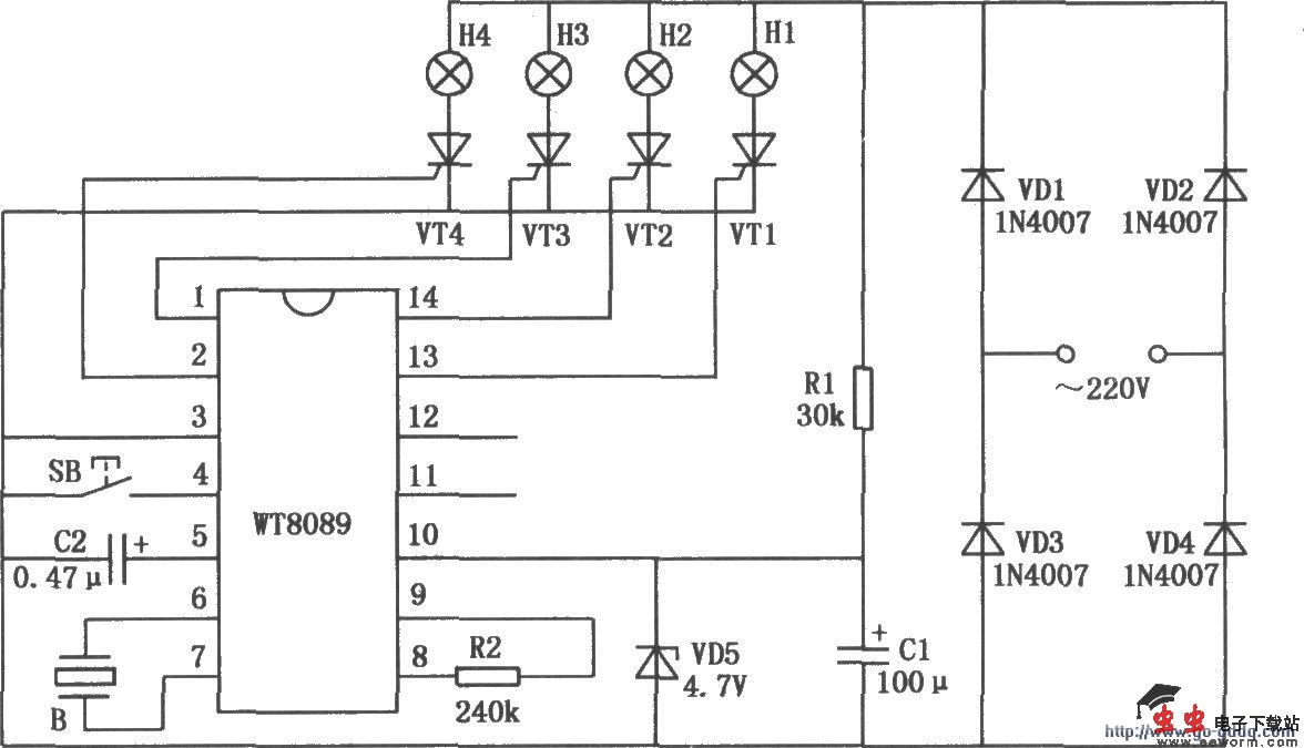
由WT8089模块构成的花样彩灯控制电路如图所示。它可以演奏8首电子乐曲,且配有16种彩灯花样。多彩的闪光和跳法,与优美的乐曲相配合,能产生极佳的视、听效果。WT8089模块内部集成了铃儿响叮当、平安夜、圣诞快乐、圣诞老人迸城、快乐世界和红鼻鹿等8首钢琴曲;彩灯的灯跳方式可由功能控制键的按压次数来控制,依次显示16种不同花样。它们分别为:右转跑马、左转跑马、逐个点亮、依次熄灭、双灯流水移动、相邻双灯滚动、间隔双灯追逐、四灯同时闪亮、单灯依次抖动、单灯反向抖动、双灯移位闪烁、相邻双灯抖动追逐、双灯反向抖动闪光、间隔双灯抖动跳跃、间隔双灯反向抖动及四灯同时抖动闪烁。