用5GM168构成的家庭卡拉OK灯光控制电路

📅 发布时间:2013-09-25 23:30 👁️ 浏览:0 🏷️ 标签: 5GM 168 GM

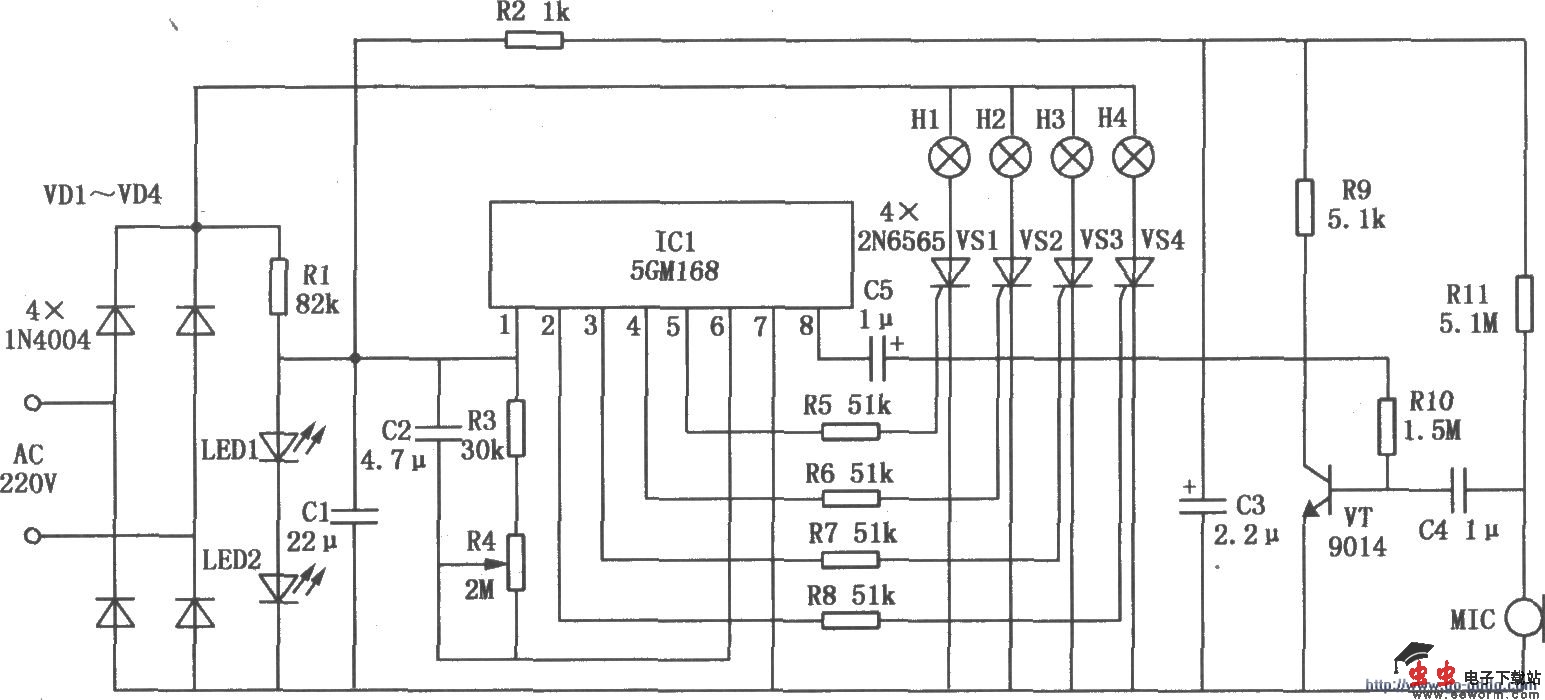
5GM168构成的家庭卡拉OK灯光控制电路

家庭卡拉0K灯光控制电路的设计方法多种多样,这里介绍的控制电路是一种具有4路灯光输出、跳跃循环、速度可控的实用电路。灯光跳跃速度随话筒拾取的声波信号强弱而变化,声波信号愈强,彩灯跳跃速度越快,反之速度越慢。家庭卡拉OK灯光控制电路如图所示。该电路主要由电源电路、控制电路及音频放大器组成。

觉得这篇文章有帮助吗?