由CD4015组成的LED动感闪烁灯电路

📅 发布时间:2013-09-25 22:45 👁️ 浏览:1 🏷️ 标签: 4015 LED CD 闪烁灯

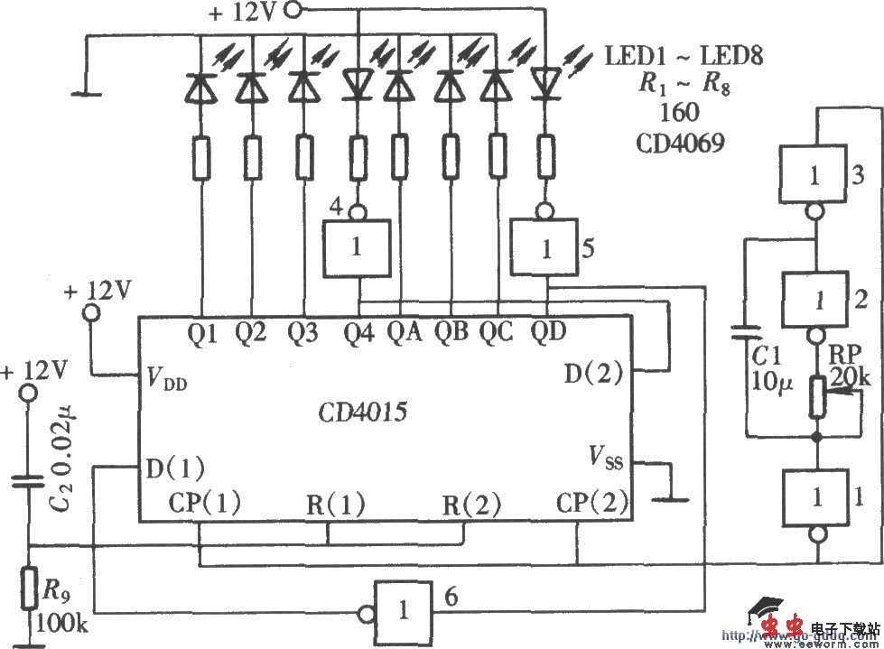
由CD4015组成的LED动感闪烁灯

如图所示的动感闪烁灯主要采用一只双四位串入/并出移位寄存器CD4015组成。该电路由移位寄存器CD4015组成LED灯光移动闪烁电路,由六反相器CD4069组成移位脉冲发生器。在移位脉冲的作用下,移位寄存器的输出端依次输出驱动脉冲,通过驱动发光二极管的发光,形成光点逐个发光又逐个熄灭的移动闪烁效果。

觉得这篇文章有帮助吗?