由CD4017组成的乐控变色LED彩灯电路

📅 发布时间:2013-09-25 23:00 👁️ 浏览:4 🏷️ 标签: 4017 LED CD 彩灯电路

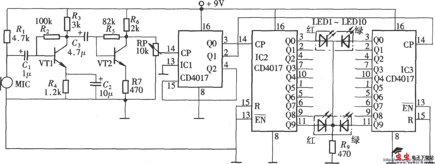
由CD4017组成的乐控变色LED彩灯

利用放送的音乐声,通过接收处理转换为脉冲信号,将这种脉冲信号作为时钟脉冲,输入十进制计数、脉冲分配器CD4017,将其输出端接入双色变色发光二极管,通过音乐声控制发光二极管的发光与彩色变换,就可组成一个乐控变色LED彩灯,其电路组成如图所示。该电路由音乐信号接收放大与脉冲形成电路、脉冲分配电路和双色LED驱动电路三部分组成。

觉得这篇文章有帮助吗?