用CD40117组成的触摸数控式调光灯电路

📅 发布时间:2013-09-25 22:35 👁️ 浏览:0 🏷️ 标签: 40117 CD 数控 调光灯

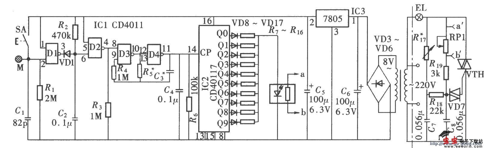
触摸数控式调光灯(CD40117)

触摸数控式调光灯利用人体触摸启动脉冲发生器,利用计数器输出端所接电阻阻值的不同,通过改变光耦器中发光二极管的亮度,调节光晶闸管的导通程度,达到调光的目的,其电路组成如图所示。电路由触摸信号输入电路、脉冲信号发生器、脉冲分配器、光耦合器与晶闸管触发与导通角控制电路组成。

觉得这篇文章有帮助吗?