由CD4017构成的新颖的彩灯闪烁控制器电路

📅 发布时间:2013-09-25 22:25 👁️ 浏览:3 🏷️ 标签: 4017 CD 彩灯 闪烁

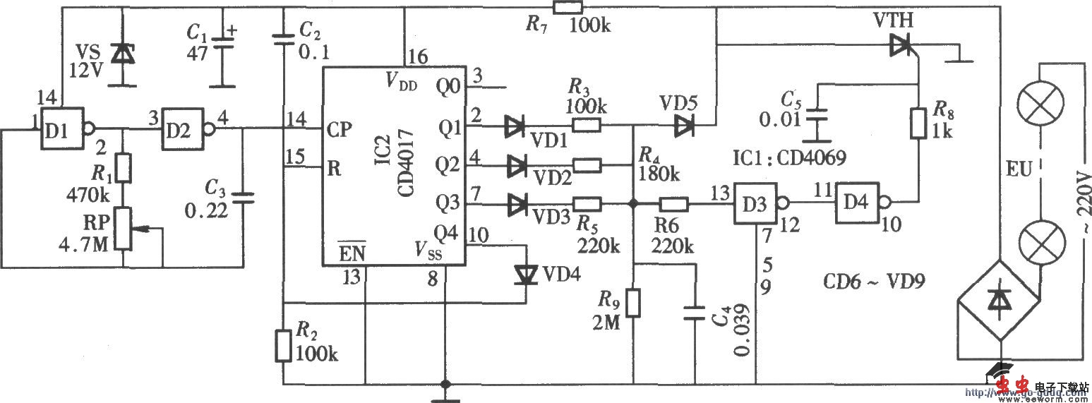
由CD4017构成的新颖的彩灯闪烁控制器

如图所示的彩灯闪烁控制器是通过电路工作程序的安排,使彩灯按照最亮一较亮一较暗一熄灭一最亮……这样的程序循环工作,具有一定的新颖性。

觉得这篇文章有帮助吗?