
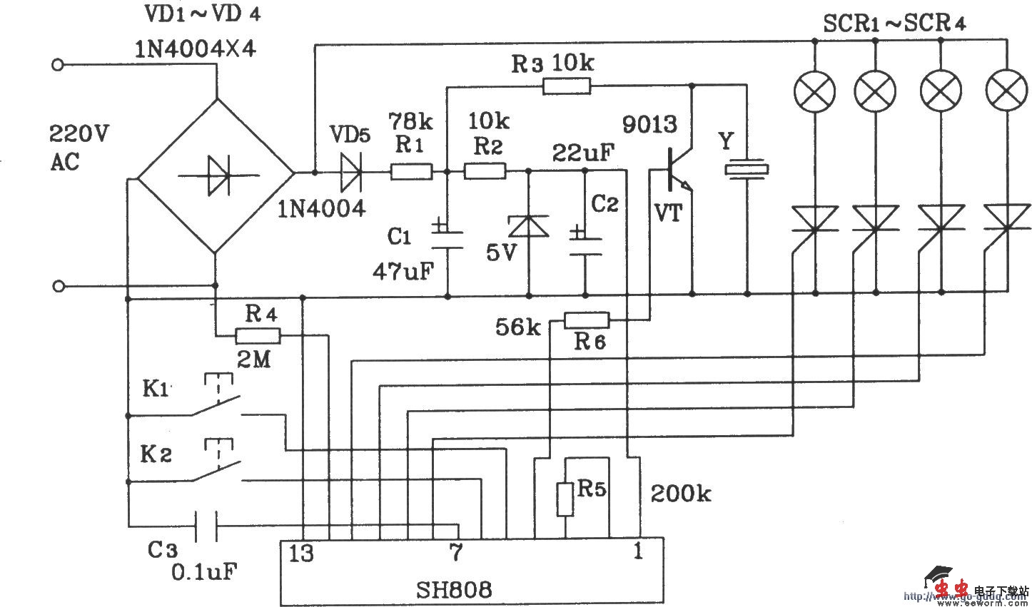
SH808多功能音乐彩灯程控集成电路构成的彩灯控制电路
SH808本身具有音乐记忆功能,可产生16首歌曲并驱动彩灯串,使之随着音乐节拍而闪烁。另外还可使彩灯串呈跑马跳跃、相互追逐闪烁以及呈波浪翻滚等闪烁效果。这些功能具体分成8个程序状态: ①灯串全亮无音乐。 ②灯串随音乐闪烁(歌曲1~16首重复)。 ③灯串随音乐闪烁(歌曲1~4首重复)。 ④灯串随音乐闪烁(歌曲5~8首重复)。 ⑤灯串随音乐闪烁(歌曲9~12首重复)。 ⑥灯串随音乐闪烁(歌曲l3~16首重复)。 ⑦灯串呈跑马跳跃、追逐闪烁,无音乐。 ⑧灯串呈波浪翻滚,无音乐。