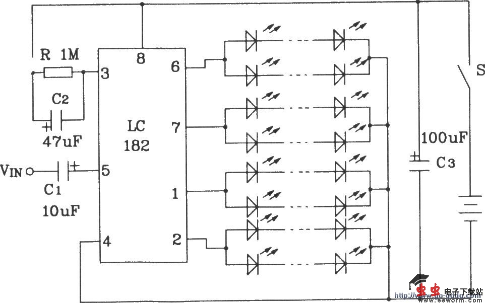
LC181音频调制彩灯控制芯片构成直流彩灯控制电路

📅 发布时间:2013-09-25 20:45 👁️ 浏览:1 🏷️ 标签: 181 彩灯控制 LC 音频

LC181音频调制彩灯控制芯片构成直流彩灯控制电路

LC181音频调制彩灯控制芯片构成直流彩灯控制电路

其循环频率约为0.5~1Hz,彩灯(LED)较慢地循环闪光。当音频调制信号接入后,在其作用下,彩灯的循环速度随音频信号的大小而变化,最调制率可达15倍,即由原来1Hz频率循环。若改变RC的值,可改变无调制信号输入时的循环速度。此电路适用于各种工艺品、花瓶、画屏等装饰闪光。

觉得这篇文章有帮助吗?