⭐ 欢迎来到虫虫下载站! | 📦 资源下载 📁 资源专辑 ℹ️ 关于我们
⭐ 虫虫下载站
🔐 登录 📝 注册
虫虫下载站
虫虫下载站
专业电子工程师资源平台
📤 上传资源
  • 🏠 首页
  • 📦 资源下载
  • 📁 资源专辑
  • 🔧 热门软件
  • ⭐ 精品资源
  • 🎓 基础知识
  • 📐 电路图
  • 📚 电子书
  • 🔢 在线计算器
  • 🔍 代码搜索
🏠 首页 › 📐 电路图 › 开关电路

📐 开关电路

📊 共 334 个电路图 🎨 设计参考
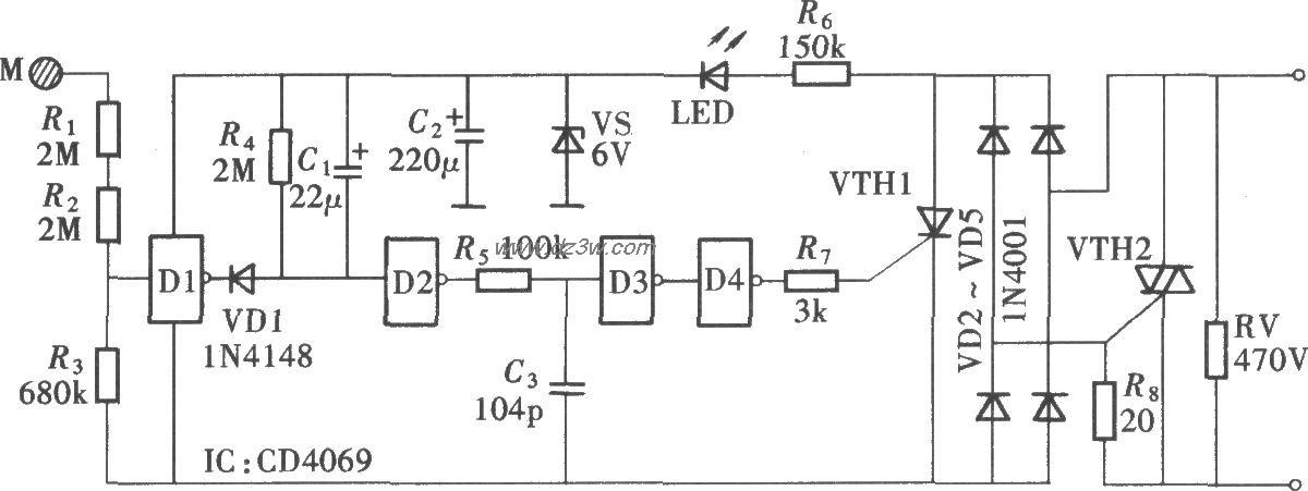
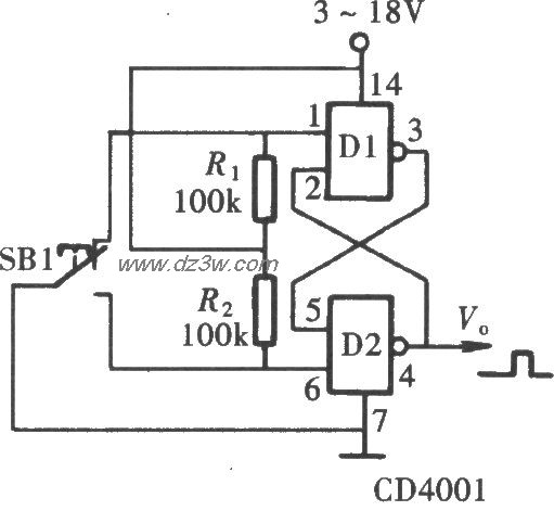
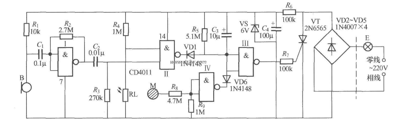
由CD4069组成的触摸式卫电路图

由CD4069组成的触摸式卫

📅 01-01 查看 →
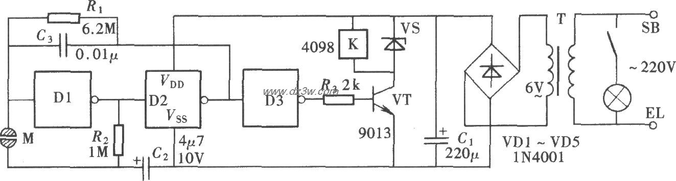
用门电路组成的防抖动开电路图

用门电路组成的防抖动开

📅 01-01 查看 →
由CD4069组成的声控延时电路图

由CD4069组成的声控延时

📅 01-01 查看 →
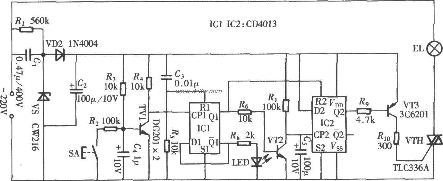
用CD4013组成的触摸式电电路图

用CD4013组成的触摸式电

📅 01-01 查看 →
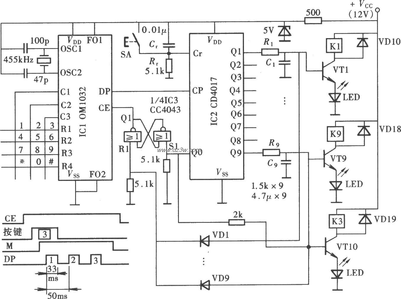
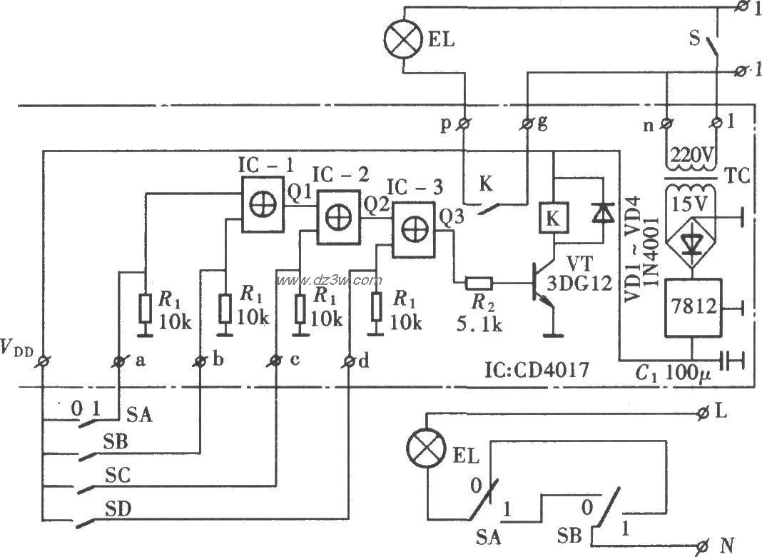
用CD4017组成多地控制开电路图

用CD4017组成多地控制开

📅 01-01 查看 →
声光控触摸一体化延时节电路图

声光控触摸一体化延时节

📅 01-01 查看 →
用门电路组成的触摸开关电路图

用门电路组成的触摸开关

📅 01-01 查看 →
四路输人/输出音频切换电路图

四路输人/输出音频切换

📅 01-01 查看 →
由CD4017组成的单负载多电路图

由CD4017组成的单负载多

📅 01-01 查看 →
琴键式电子开关电路(OM1电路图

琴键式电子开关电路(OM1

📅 01-01 查看 →
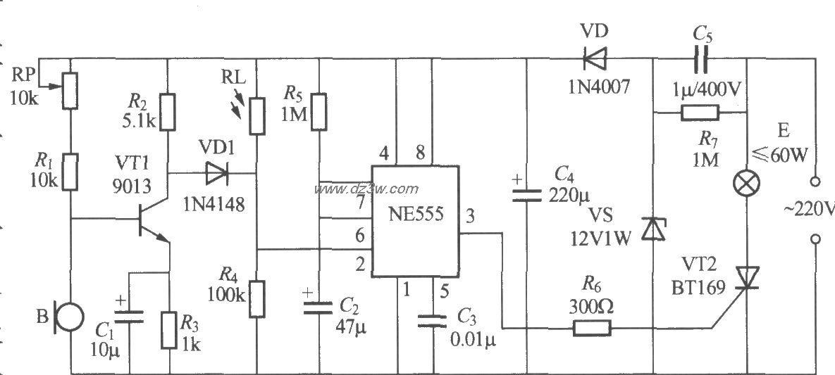
轻触式光控延时节电开关电路图

轻触式光控延时节电开关

📅 01-01 查看 →
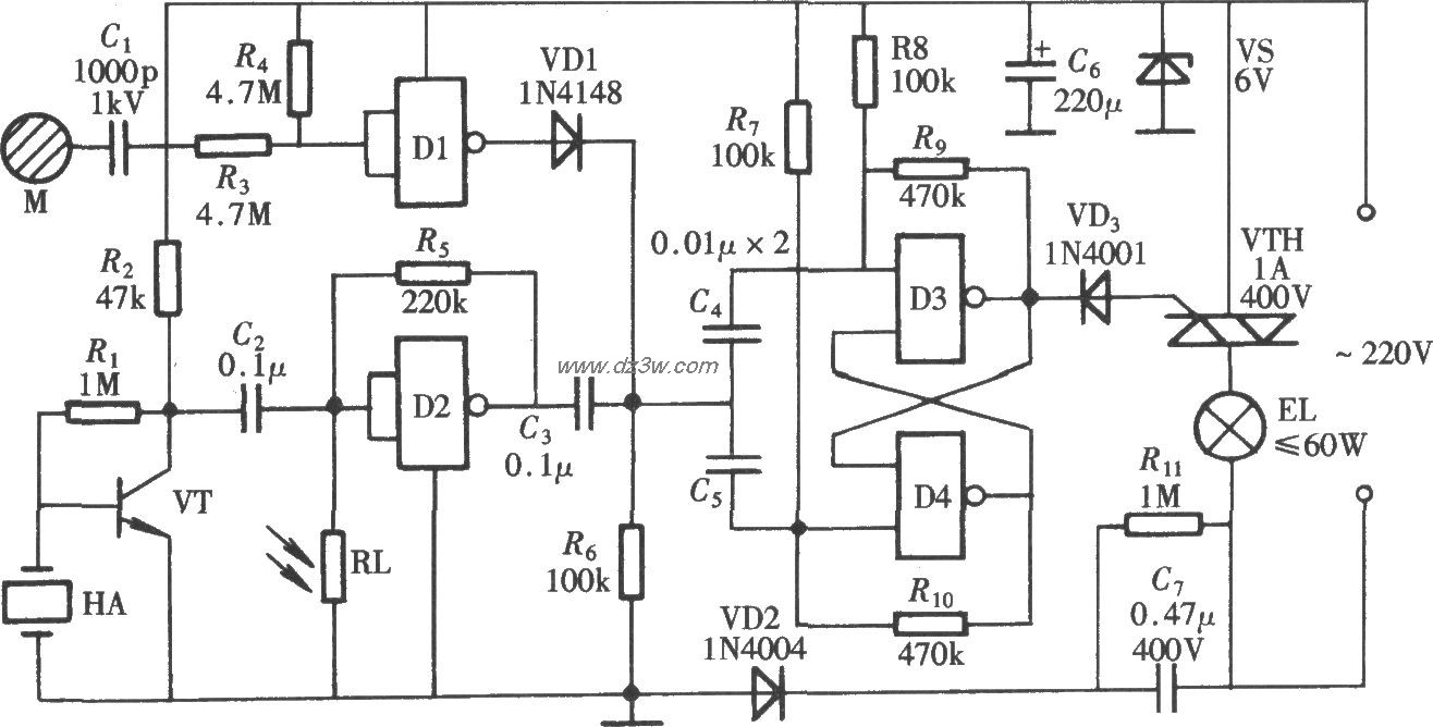
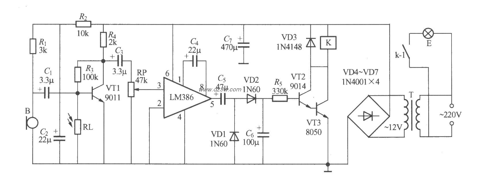
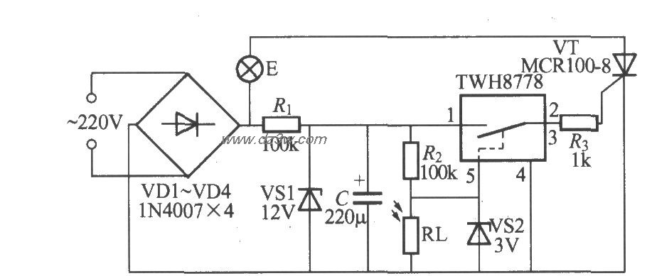
触摸声控电灯开关电路图

触摸声控电灯开关

📅 01-01 查看 →
由CD4069组成的单按钮控电路图

由CD4069组成的单按钮控

📅 01-01 查看 →
由CD4013组成的轻触式延电路图

由CD4013组成的轻触式延

📅 01-01 查看 →
由MIC5157组成的正沿触发电路图

由MIC5157组成的正沿触发

📅 01-01 查看 →
由MIC5156-××组成的上电路图

由MIC5156-××组成的上

📅 01-01 查看 →
使用MAX837的光控路灯电电路图

使用MAX837的光控路灯电

📅 01-01 查看 →
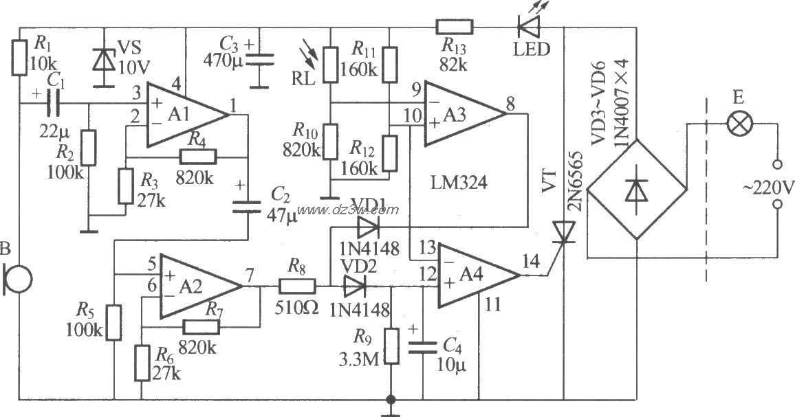
采用运放的声光控楼梯延电路图

采用运放的声光控楼梯延

📅 01-01 查看 →
声、光与触摸三控楼梯延电路图

声、光与触摸三控楼梯延

📅 01-01 查看 →
三极管晶体管开关电路设电路图

三极管晶体管开关电路设

📅 01-01 查看 →
非二线制声光控楼梯延迟电路图

非二线制声光控楼梯延迟

📅 01-01 查看 →
非二线制声光控楼梯延迟电路图

非二线制声光控楼梯延迟

📅 01-01 查看 →
非二线制声光控楼梯延迟电路图

非二线制声光控楼梯延迟

📅 01-01 查看 →
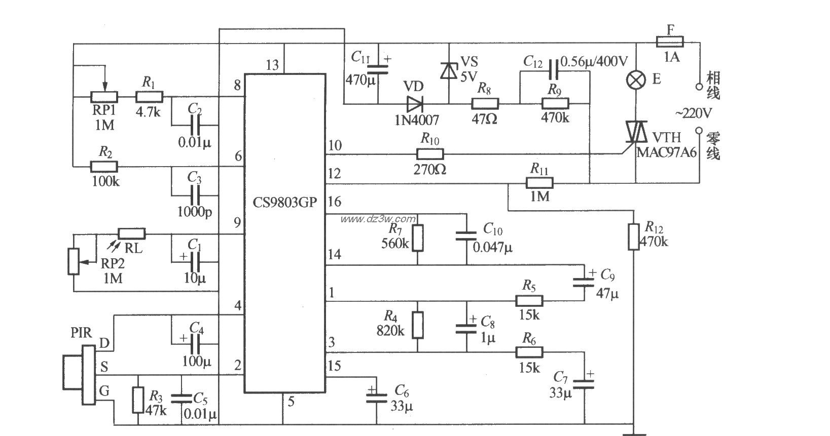
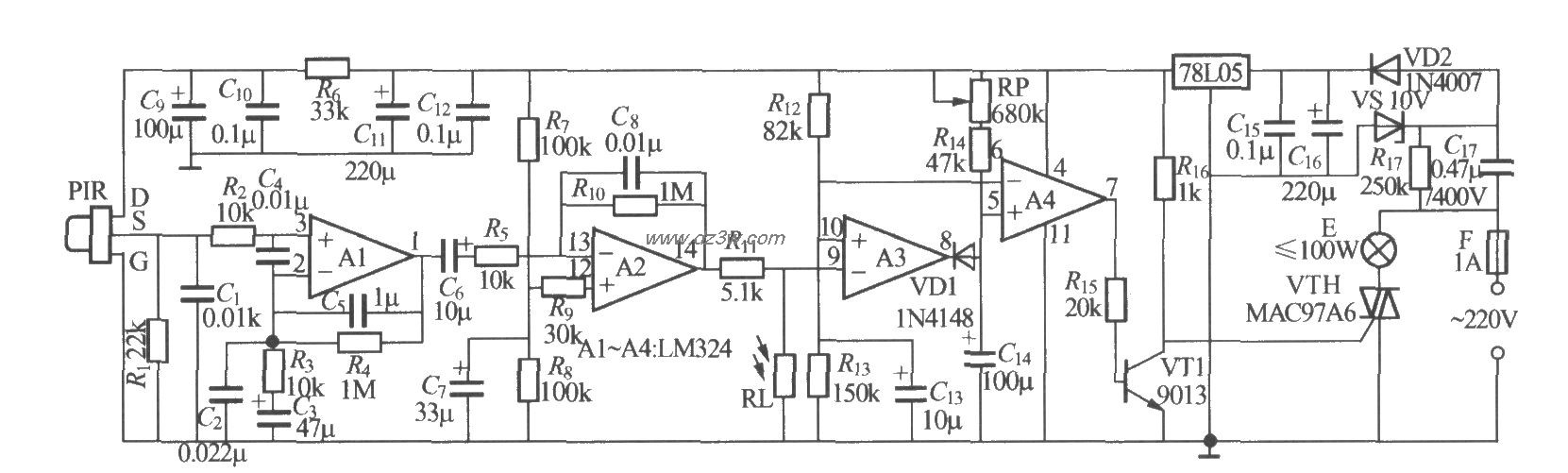
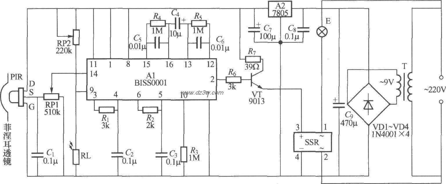
热释电红外感应自动灯电电路图

热释电红外感应自动灯电

📅 01-01 查看 →
热释电红外感应自动灯电电路图

热释电红外感应自动灯电

📅 01-01 查看 →
热释电红外感应自动灯电电路图

热释电红外感应自动灯电

📅 01-01 查看 →
热释电红外感应自动灯电电路图

热释电红外感应自动灯电

📅 01-01 查看 →
热释电红外感应自动灯电电路图

热释电红外感应自动灯电

📅 01-01 查看 →
热释电红外感应自动灯电电路图

热释电红外感应自动灯电

📅 01-01 查看 →
热释电红外感应自动灯电电路图

热释电红外感应自动灯电

📅 01-01 查看 →
  • 首页
  • « 上一页
  • 1
  • 2
  • 3
  • 4
  • 5
  • 6
  • 7
  • 8
  • 9
  • 10
  • 下一页 »
  • 末页
🔐 用户登录
加载中...

加载登录表单中...

🎁 免费注册送10积分
加载中...

加载注册表单中...

🔑 找回密码
加载中...

加载表单中...

🔐 需要登录
🔒

登录后即可使用!

🎁 新用户注册立即送10积分
积分可用于下载资源,免费获取优质技术资料
🚪 退出登录
👋

确认要退出登录吗?

退出后需要重新登录才能下载资源

关于虫虫

虫虫下载站是专业的电子工程师资源分享平台,汇聚 622,478+ 优质资源,为工程师提供免费、专业的技术资料。

🌐

快速链接

  • 📦 资源下载
  • 📁 资源专辑
  • 📐 电路图库
  • 📚 电子书籍
  • 🧮 在线计算器

帮助中心

  • 📋 服务条款
  • ℹ️ 关于我们
  • ⚠️ 免责声明
  • 🗺️ 网站地图

联系我们

扫码关注我们

虫虫下载站二维码

虫虫小帮手

© 2011-2025 虫虫下载站 - 专业的电子工程师资源分享平台 | 让技术资源触手可及

京ICP备2021023401号-1