⭐ 欢迎来到虫虫下载站! | 📦 资源下载 📁 资源专辑 ℹ️ 关于我们
⭐ 虫虫下载站
🔐 登录 📝 注册
虫虫下载站
虫虫下载站
专业电子工程师资源平台
📤 上传资源
  • 🏠 首页
  • 📦 资源下载
  • 📁 资源专辑
  • 🔧 热门软件
  • ⭐ 精品资源
  • 🎓 基础知识
  • 📐 电路图
  • 📚 电子书
  • 🔢 在线计算器
  • 🔍 代码搜索
🏠 首页 › 📐 电路图 › 开关电路

📐 开关电路

📊 共 334 个电路图 🎨 设计参考
电视伴音发射机的自动开电路图

电视伴音发射机的自动开

📅 01-01 查看 →
晶体管接近开关电路电路图

晶体管接近开关电路

📅 01-01 查看 →
SX-6型人体感应开关应用电路图

SX-6型人体感应开关应用

📅 01-01 查看 →
三键互锁电子开关电路电路图

三键互锁电子开关电路

📅 01-01 查看 →
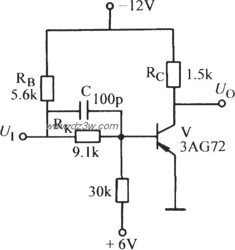
晶体管低速开关电路电路图

晶体管低速开关电路

📅 01-01 查看 →
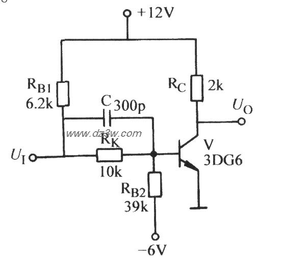
晶体管中速开关电路电路图

晶体管中速开关电路

📅 01-01 查看 →
晶体管高速开关电路电路图

晶体管高速开关电路

📅 01-01 查看 →
带有钳位二极管的高速开电路图

带有钳位二极管的高速开

📅 01-01 查看 →
按键开关电路电路图

按键开关电路

📅 01-01 查看 →
音频控制和软开关的放大电路图

音频控制和软开关的放大

📅 01-01 查看 →
手触式定时供水控制阀电电路图

手触式定时供水控制阀电

📅 01-01 查看 →
采用压电陶瓷片的声控照电路图

采用压电陶瓷片的声控照

📅 01-01 查看 →
声控定时照明灯电路电路图

声控定时照明灯电路

📅 01-01 查看 →
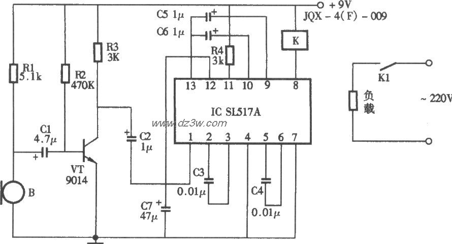
采用SL517声控照明灯电路电路图

采用SL517声控照明灯电路

📅 01-01 查看 →
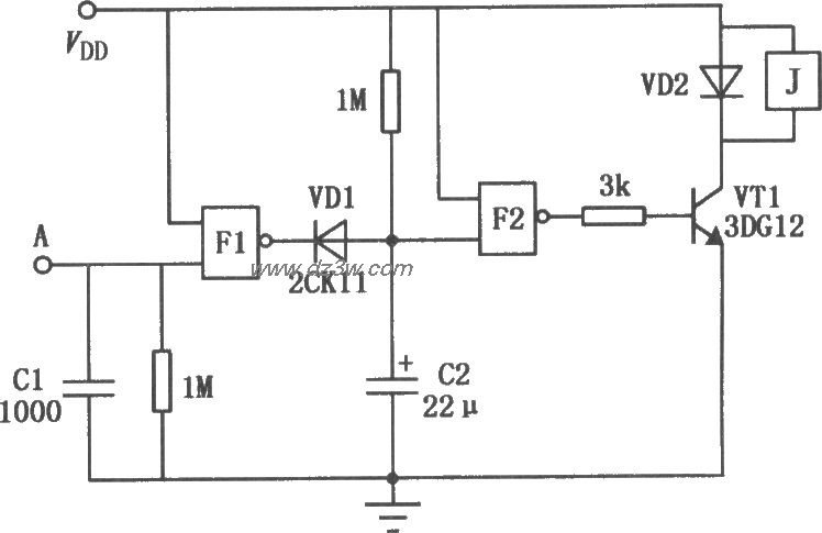
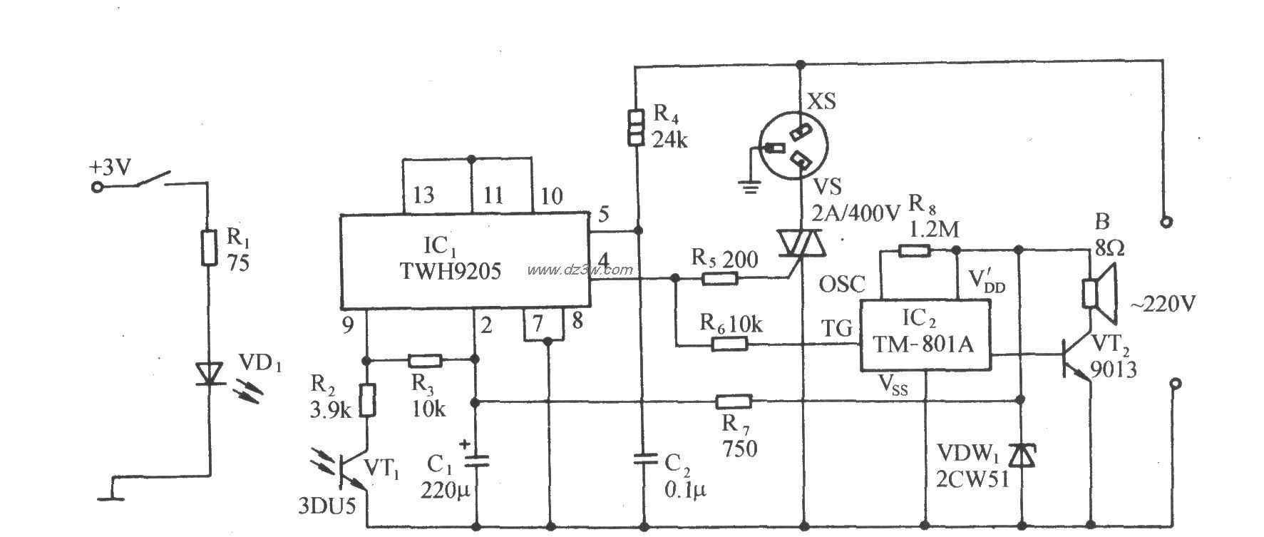
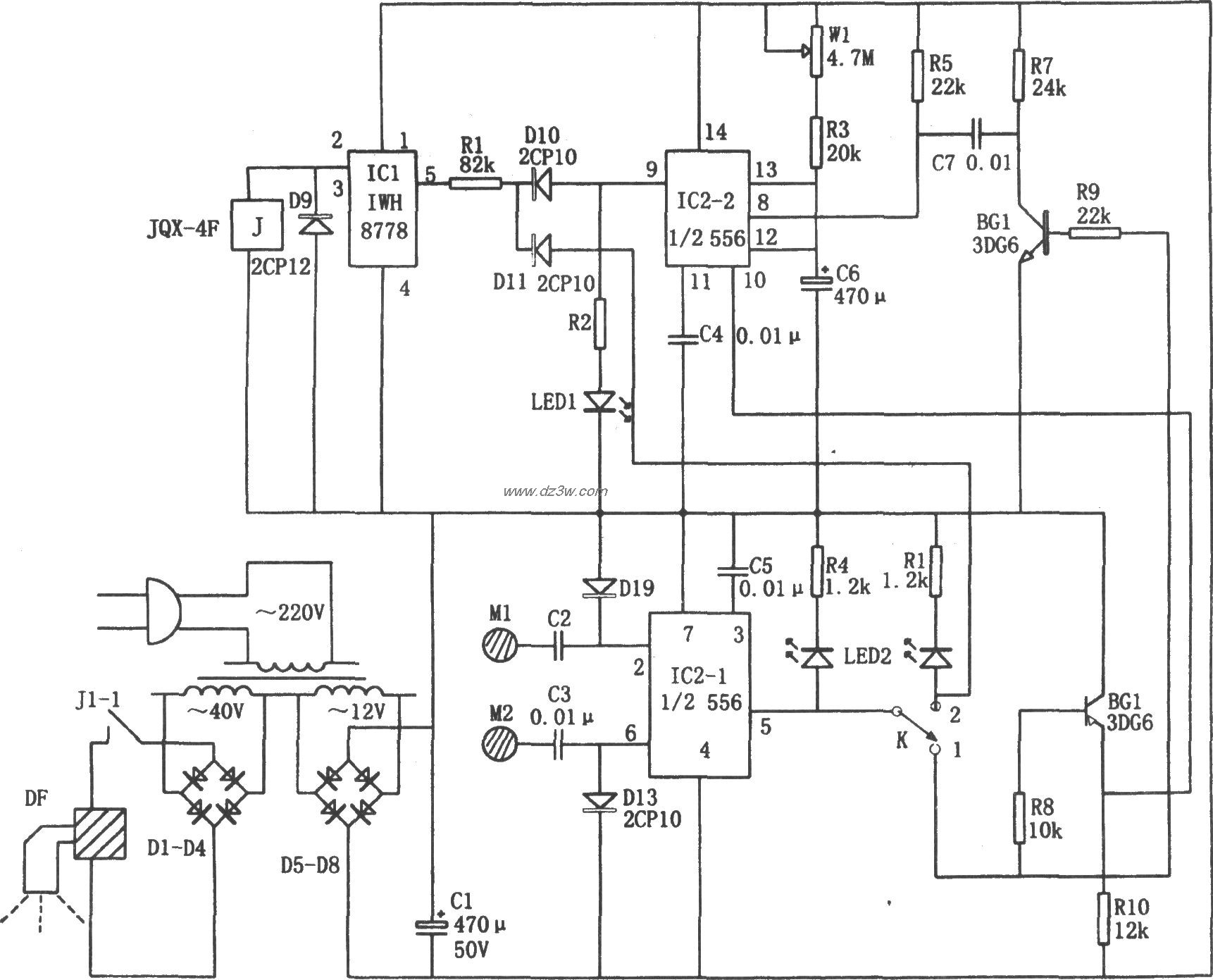
用TWH9205的光电耦合型过电路图

用TWH9205的光电耦合型过

📅 01-01 查看 →
多普勒效应和光照双控自电路图

多普勒效应和光照双控自

📅 01-01 查看 →
声光双控电器开关插座电电路图

声光双控电器开关插座电

📅 01-01 查看 →
用SK-Ⅱ制作的声控音乐插电路图

用SK-Ⅱ制作的声控音乐插

📅 01-01 查看 →
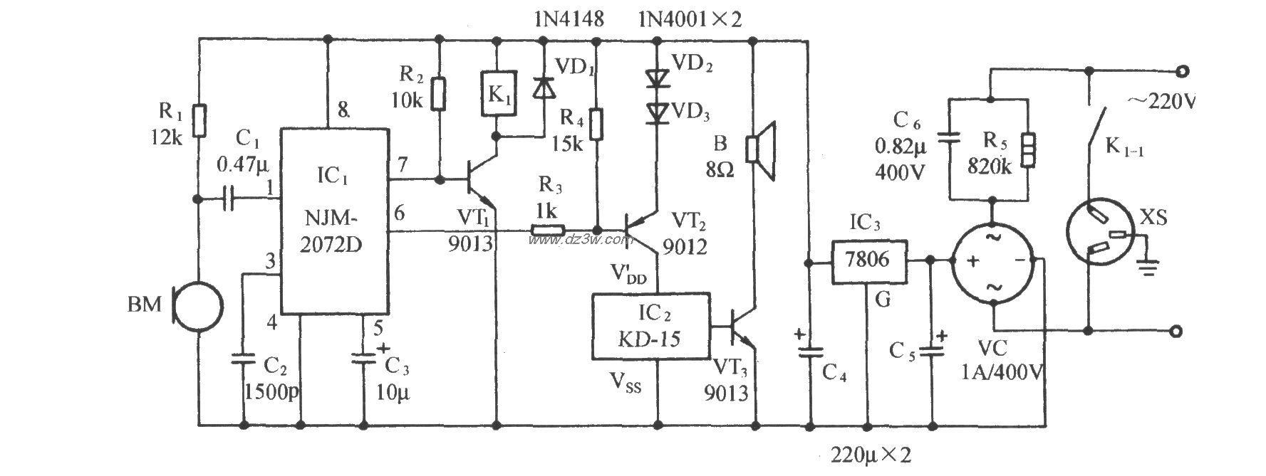
用NJM2072D的声控音乐插电路图

用NJM2072D的声控音乐插

📅 01-01 查看 →
用NJM2072D的声控音乐插电路图

用NJM2072D的声控音乐插

📅 01-01 查看 →
抗干扰的声控开关电路电路图

抗干扰的声控开关电路

📅 01-01 查看 →
与非门组成的触摸式延时电路图

与非门组成的触摸式延时

📅 01-01 查看 →
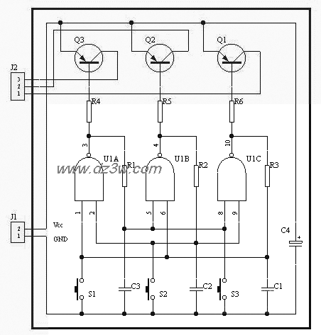
触摸式十挡互锁开关控制电路图

触摸式十挡互锁开关控制

📅 01-01 查看 →
由CD4052、CD4011组成的电路图

由CD4052、CD4011组成的

📅 01-01 查看 →
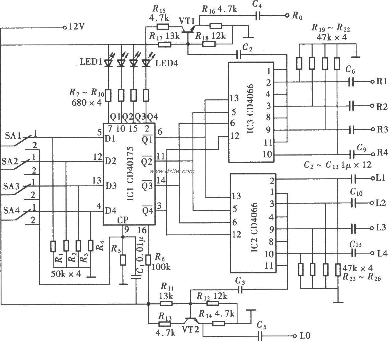
由CD40157、CD4066组成的电路图

由CD40157、CD4066组成的

📅 01-01 查看 →
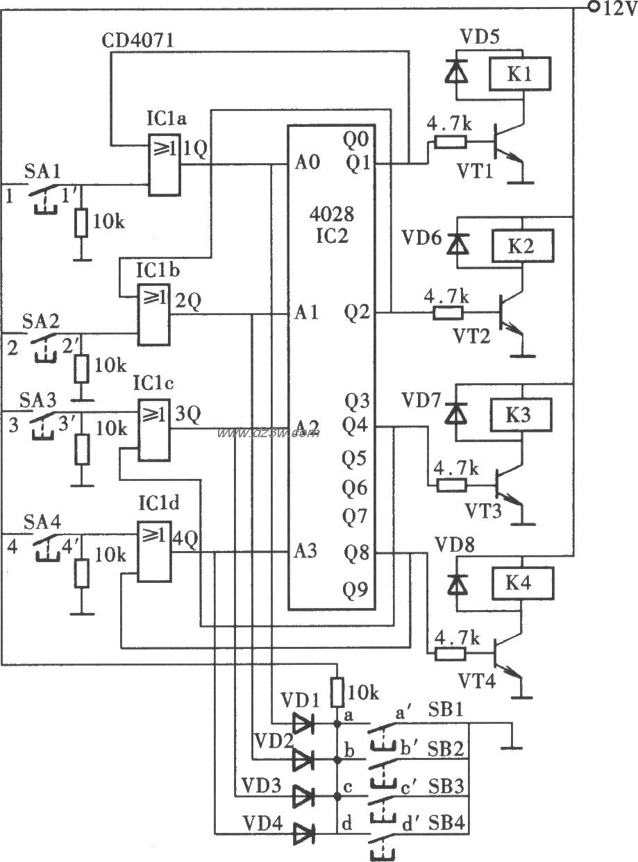
由CD4028组成的楼梯灯控电路图

由CD4028组成的楼梯灯控

📅 01-01 查看 →
由NE555、CD4013组成的工电路图

由NE555、CD4013组成的工

📅 01-01 查看 →
触摸式多通道电子开关(C电路图

触摸式多通道电子开关(C

📅 01-01 查看 →
由CD4013组成的静态微功电路图

由CD4013组成的静态微功

📅 01-01 查看 →
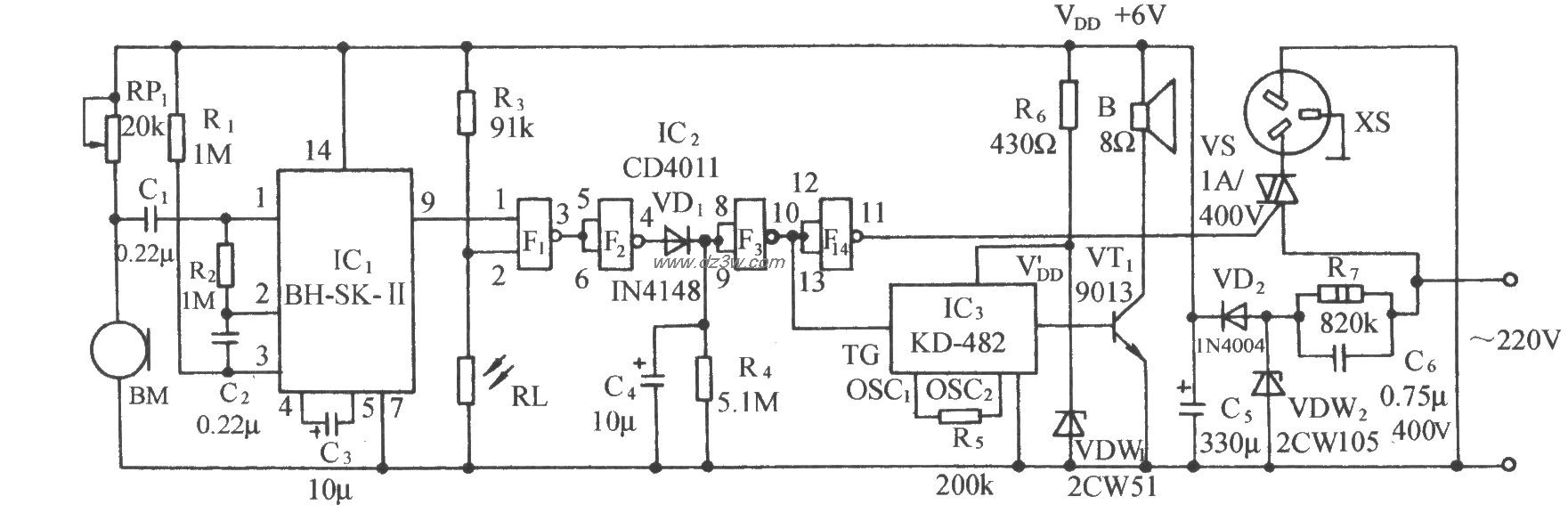
由CD4011构成的长延时声电路图

由CD4011构成的长延时声

📅 01-01 查看 →
  • 首页
  • « 上一页
  • 1
  • 2
  • 3
  • 4
  • 5
  • 6
  • 7
  • 8
  • 9
  • 10
  • 下一页 »
  • 末页
🔐 用户登录
加载中...

加载登录表单中...

🎁 免费注册送10积分
加载中...

加载注册表单中...

🔑 找回密码
加载中...

加载表单中...

🔐 需要登录
🔒

登录后即可使用!

🎁 新用户注册立即送10积分
积分可用于下载资源,免费获取优质技术资料
🚪 退出登录
👋

确认要退出登录吗?

退出后需要重新登录才能下载资源

关于虫虫

虫虫下载站是专业的电子工程师资源分享平台,汇聚 622,478+ 优质资源,为工程师提供免费、专业的技术资料。

🌐

快速链接

  • 📦 资源下载
  • 📁 资源专辑
  • 📐 电路图库
  • 📚 电子书籍
  • 🧮 在线计算器

帮助中心

  • 📋 服务条款
  • ℹ️ 关于我们
  • ⚠️ 免责声明
  • 🗺️ 网站地图

联系我们

扫码关注我们

虫虫下载站二维码

虫虫小帮手

© 2011-2025 虫虫下载站 - 专业的电子工程师资源分享平台 | 让技术资源触手可及

京ICP备2021023401号-1