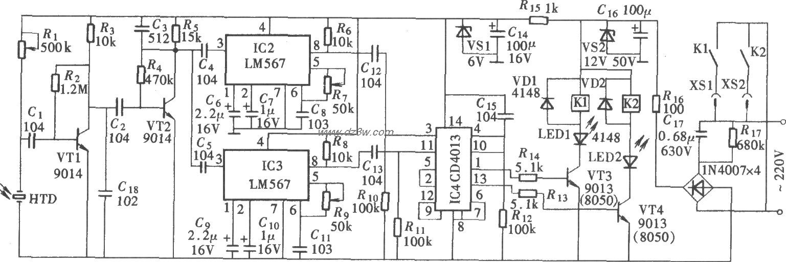
亚超声遥控开关电路(NE555、LM567、CD4013)


通常频率高于20kHz的信号,人耳是听不到的,所以称为超声波。但在实际上,频率在18~20kHz之间的信号,人耳的听力也十分有限,尤其对发射功率很小的信号,人耳几乎是听不到的,所以对这一范围的频率信号,有人也称为亚超声信号。利用亚超声信号作遥控信号,既不需要专用的超声收、发器件,也不干扰人们的听觉,所以经济实用。如图为亚超声遥控开关电路。它由亚超声发射器、亚超声接收放大器、控制通道选择器和双通道开关控制器组成。
亚超声遥控开关电路(NE5
觉得这篇文章有帮助吗?