⭐ 欢迎来到虫虫下载站! | 📦 资源下载 📁 资源专辑 ℹ️ 关于我们
⭐ 虫虫下载站
🔐 登录 📝 注册
虫虫下载站
虫虫下载站
专业电子工程师资源平台
📤 上传资源
  • 🏠 首页
  • 📦 资源下载
  • 📁 资源专辑
  • 🔧 热门软件
  • ⭐ 精品资源
  • 🎓 基础知识
  • 📐 电路图
  • 📚 电子书
  • 🔢 在线计算器
  • 🔍 代码搜索
🏠 首页 › 📐 电路图 › 开关电路

📐 开关电路

📊 共 334 个电路图 🎨 设计参考
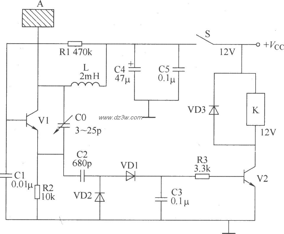
门控自动灯电路(3)电路图

门控自动灯电路(3)

📅 01-01 查看 →
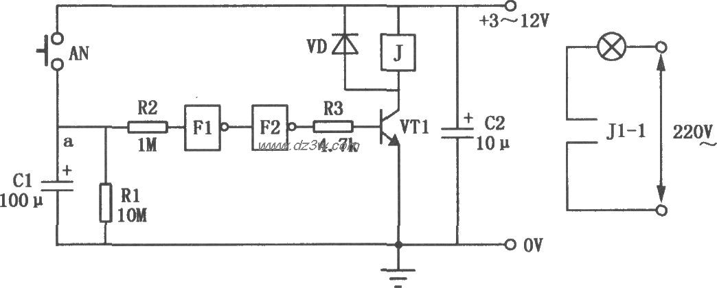
门控自动灯电路(2)电路图

门控自动灯电路(2)

📅 01-01 查看 →
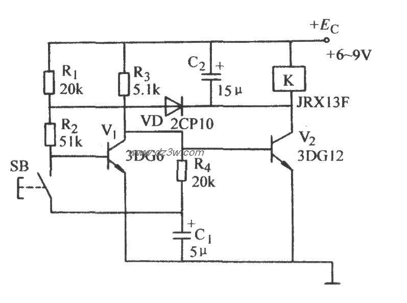
门控自动灯电路电路图

门控自动灯电路

📅 01-01 查看 →
光控延时照明灯电路电路图

光控延时照明灯电路

📅 01-01 查看 →
光控照明灯电路(一)电路图

光控照明灯电路(一)

📅 01-01 查看 →
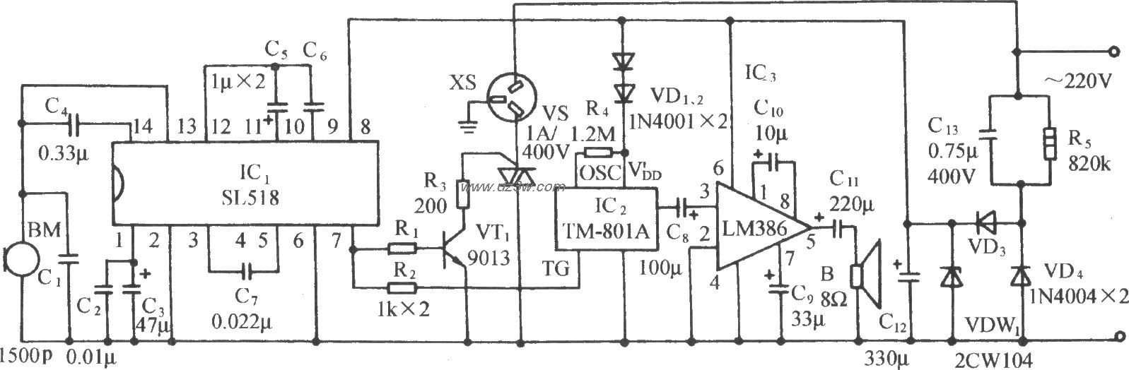
用SL518的声控音乐插座电电路图

用SL518的声控音乐插座电

📅 01-01 查看 →
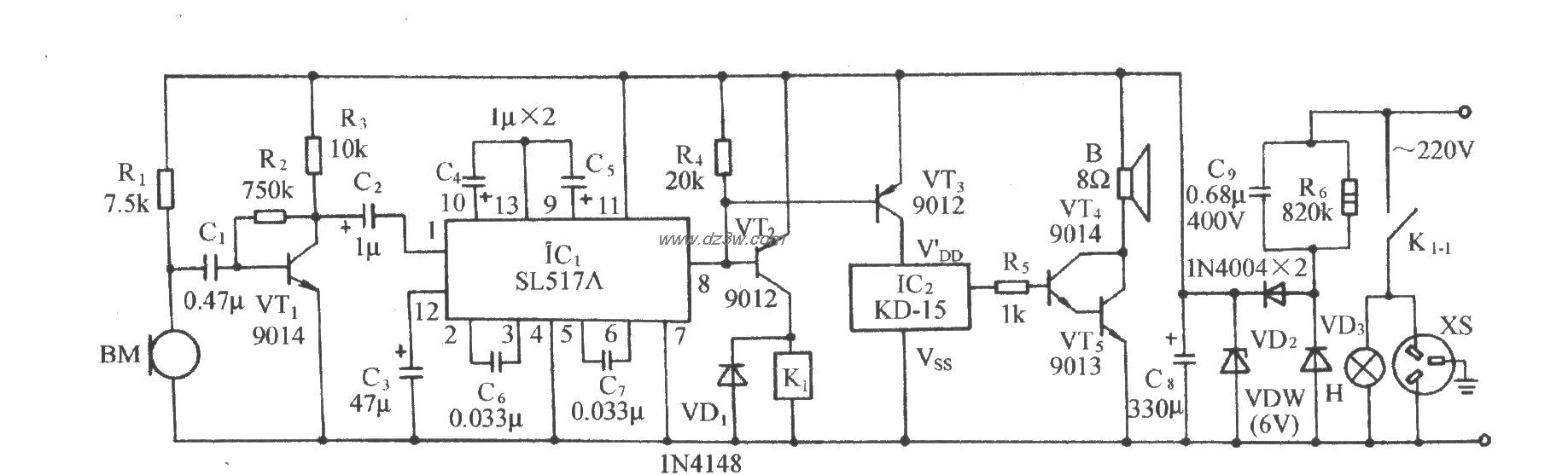
用SL517A的声控音乐插座电路图

用SL517A的声控音乐插座

📅 01-01 查看 →
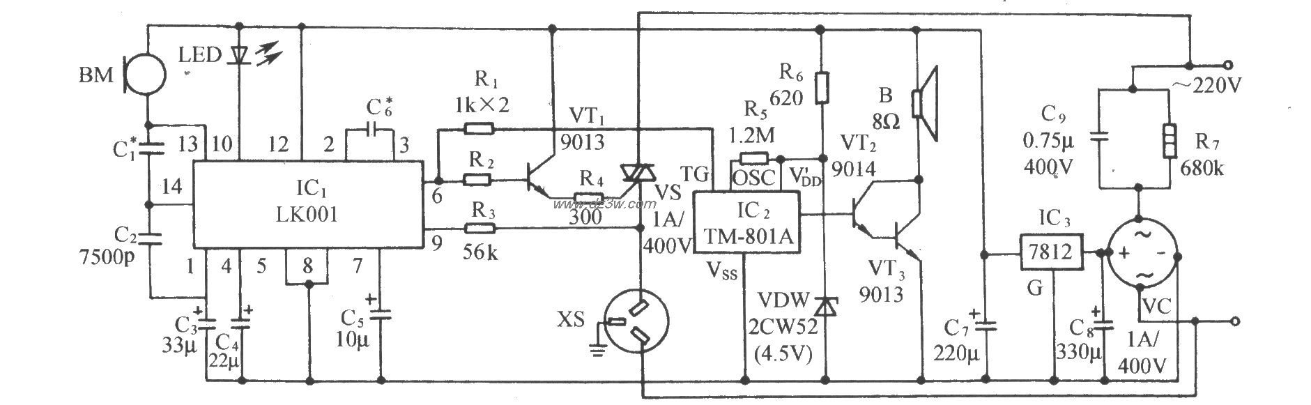
用LK001的选频声控音乐插电路图

用LK001的选频声控音乐插

📅 01-01 查看 →
采用TCA205A的接近开关电电路图

采用TCA205A的接近开关电

📅 01-01 查看 →
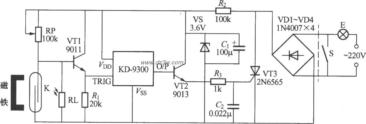
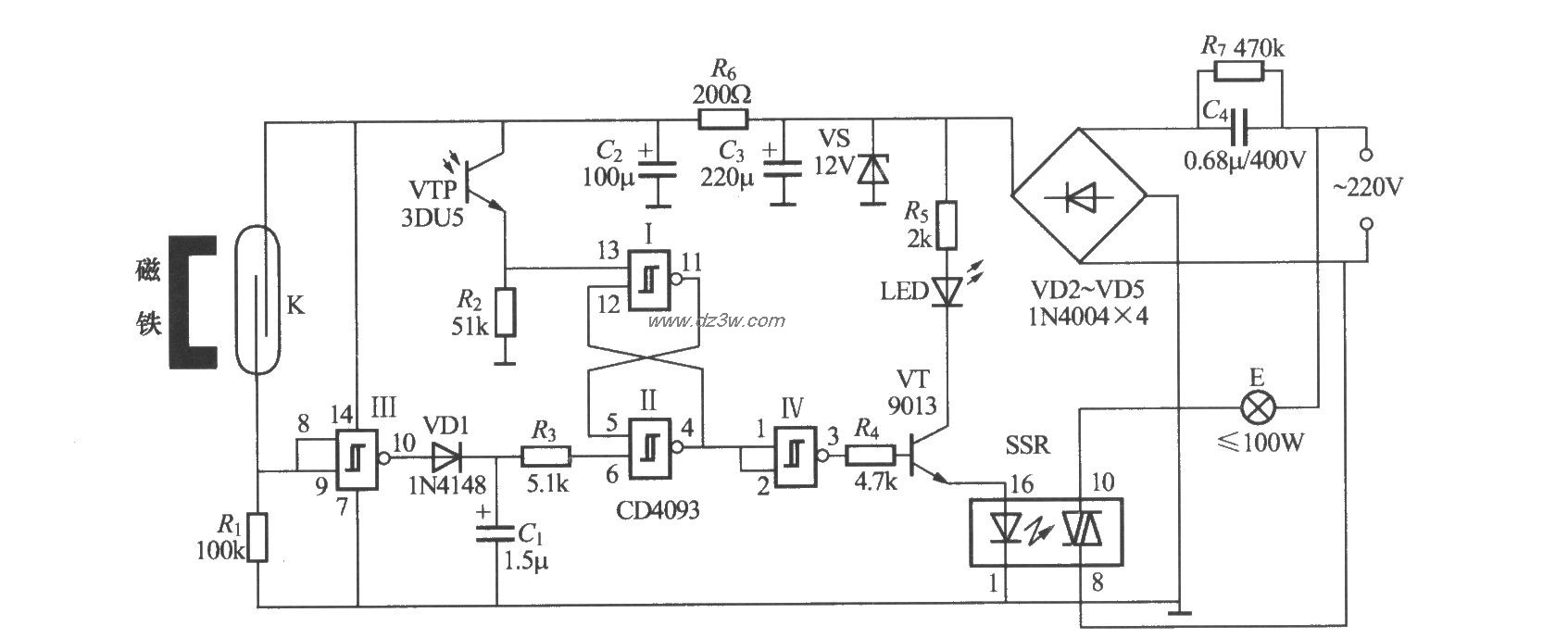
磁敏终端开关电路电路图

磁敏终端开关电路

📅 01-01 查看 →
感应接近天关电路电路图

感应接近天关电路

📅 01-01 查看 →
采用霍尔集成电路SAS251电路图

采用霍尔集成电路SAS251

📅 01-01 查看 →
接近开关电路电路图

接近开关电路

📅 01-01 查看 →
带调节振荡器的感应接近电路图

带调节振荡器的感应接近

📅 01-01 查看 →
感应开关电路电路图

感应开关电路

📅 01-01 查看 →
SN75064~SN75067四强电电路图

SN75064~SN75067四强电

📅 01-01 查看 →
电子AV转换开关电路图

电子AV转换开关

📅 01-01 查看 →
由MIC5158构成的高速的上电路图

由MIC5158构成的高速的上

📅 01-01 查看 →
反相器组成的照明延时开电路图

反相器组成的照明延时开

📅 01-01 查看 →
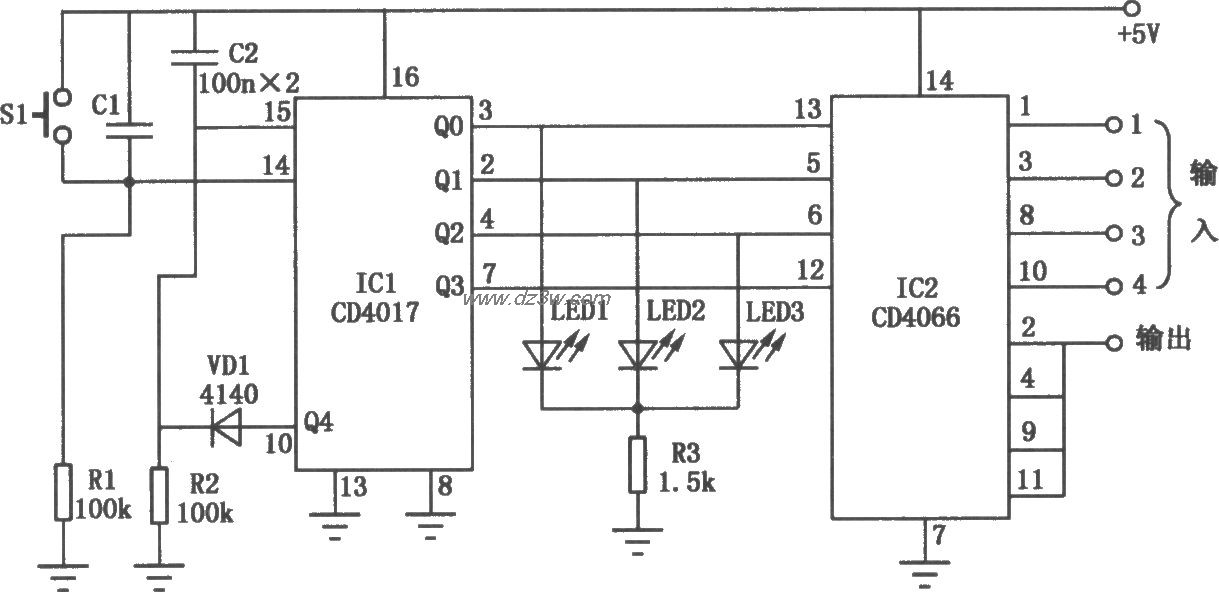
CD4017、CD4066构成的电电路图

CD4017、CD4066构成的电

📅 01-01 查看 →
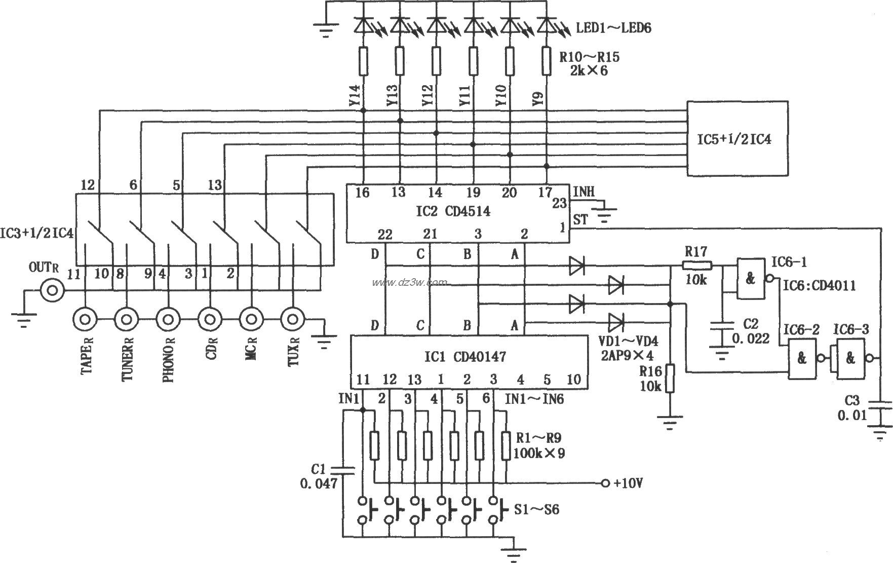
双五挡电子开关控制器电电路图

双五挡电子开关控制器电

📅 01-01 查看 →
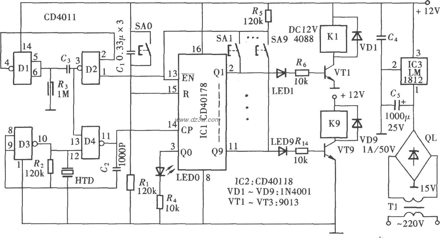
带声光指示功能的十挡互电路图

带声光指示功能的十挡互

📅 01-01 查看 →
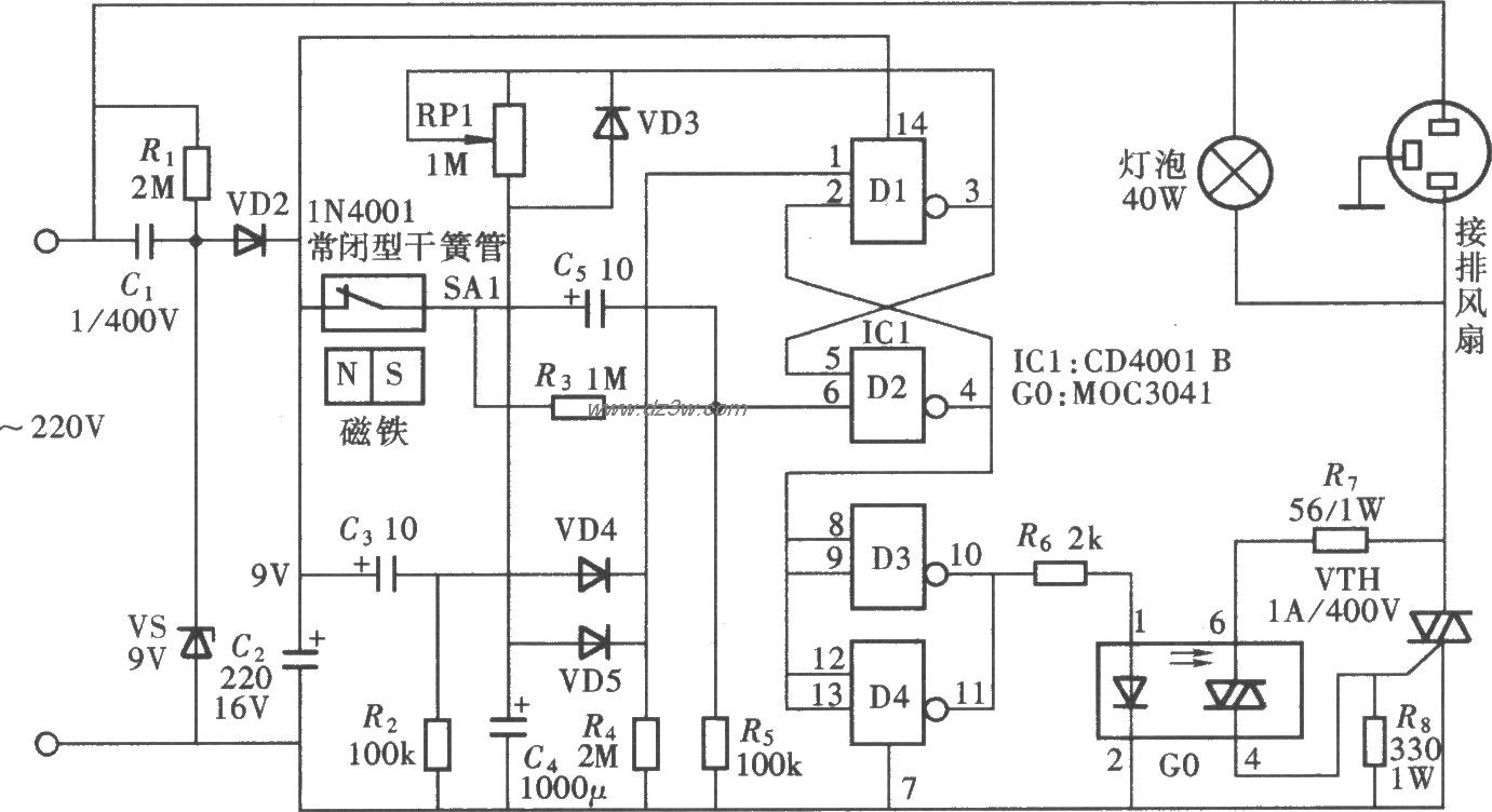
由CD4001组成的卫生间门电路图

由CD4001组成的卫生间门

📅 01-01 查看 →
亚超声遥控开关电路(NE5电路图

亚超声遥控开关电路(NE5

📅 01-01 查看 →
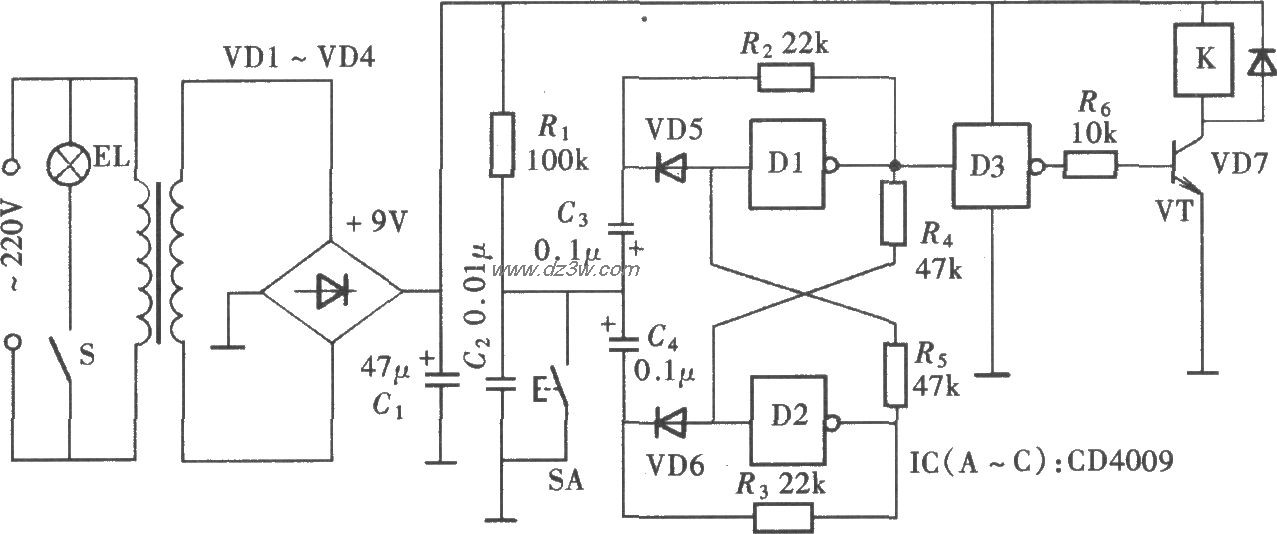
由CD4009组成的碰触式电电路图

由CD4009组成的碰触式电

📅 01-01 查看 →
感应式控制开关电路(1)电路图

感应式控制开关电路(1)

📅 01-01 查看 →
感应式控制开关电路(2)电路图

感应式控制开关电路(2)

📅 01-01 查看 →
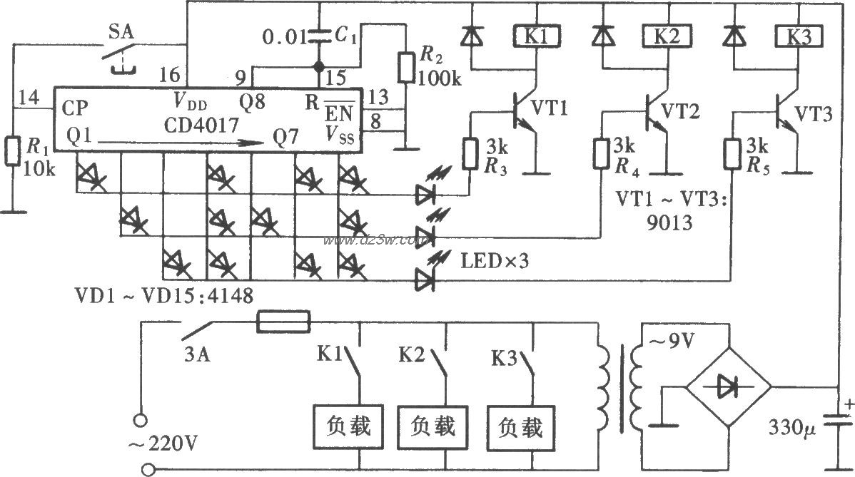
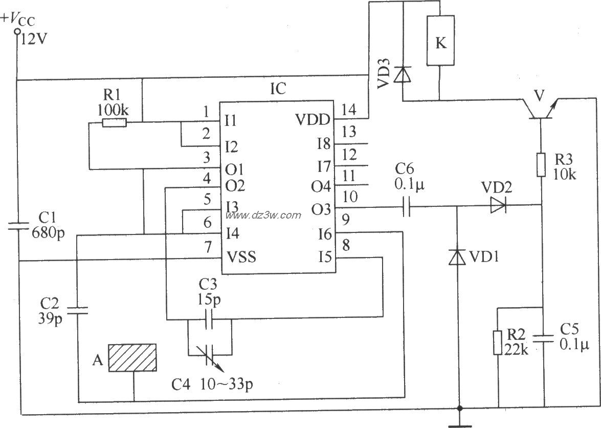
用CD4017组成多路多态控电路图

用CD4017组成多路多态控

📅 01-01 查看 →
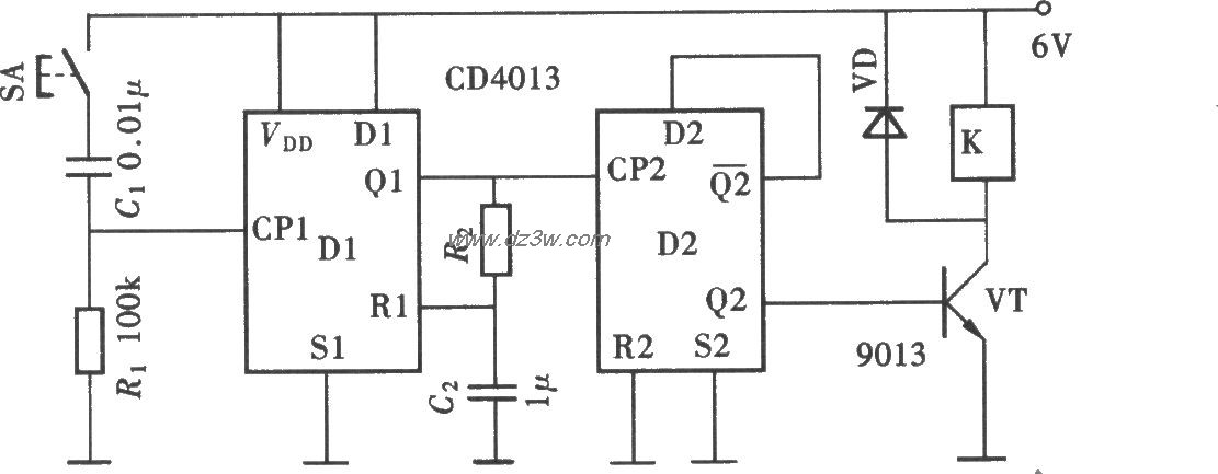
用CD4013组成的防抖动开电路图

用CD4013组成的防抖动开

📅 01-01 查看 →
双稳态触动开关电路电路图

双稳态触动开关电路

📅 01-01 查看 →
  • 首页
  • « 上一页
  • 1
  • 2
  • 3
  • 4
  • 5
  • 6
  • 7
  • 8
  • 9
  • 10
  • 下一页 »
  • 末页
🔐 用户登录
加载中...

加载登录表单中...

🎁 免费注册送10积分
加载中...

加载注册表单中...

🔑 找回密码
加载中...

加载表单中...

🔐 需要登录
🔒

登录后即可使用!

🎁 新用户注册立即送10积分
积分可用于下载资源,免费获取优质技术资料
🚪 退出登录
👋

确认要退出登录吗?

退出后需要重新登录才能下载资源

关于虫虫

虫虫下载站是专业的电子工程师资源分享平台,汇聚 622,478+ 优质资源,为工程师提供免费、专业的技术资料。

🌐

快速链接

  • 📦 资源下载
  • 📁 资源专辑
  • 📐 电路图库
  • 📚 电子书籍
  • 🧮 在线计算器

帮助中心

  • 📋 服务条款
  • ℹ️ 关于我们
  • ⚠️ 免责声明
  • 🗺️ 网站地图

联系我们

扫码关注我们

虫虫下载站二维码

虫虫小帮手

© 2011-2025 虫虫下载站 - 专业的电子工程师资源分享平台 | 让技术资源触手可及

京ICP备2021023401号-1