用门电路组成的防抖动开

📅 发布时间:2013-08-17 16:30 👁️ 浏览:3 🏷️ 标签: 门电路 防抖

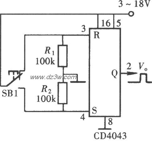
用门电路组成的防抖动开关(CD4011、CD4043)
由CD4011组成的原理图:
由CD4043组成的原理图:

 


觉得这篇文章有帮助吗?