该红外遥控开关电路由红外线遥控发射电路和红外线遥控接收控制电路组成。

红外遥控发射电路

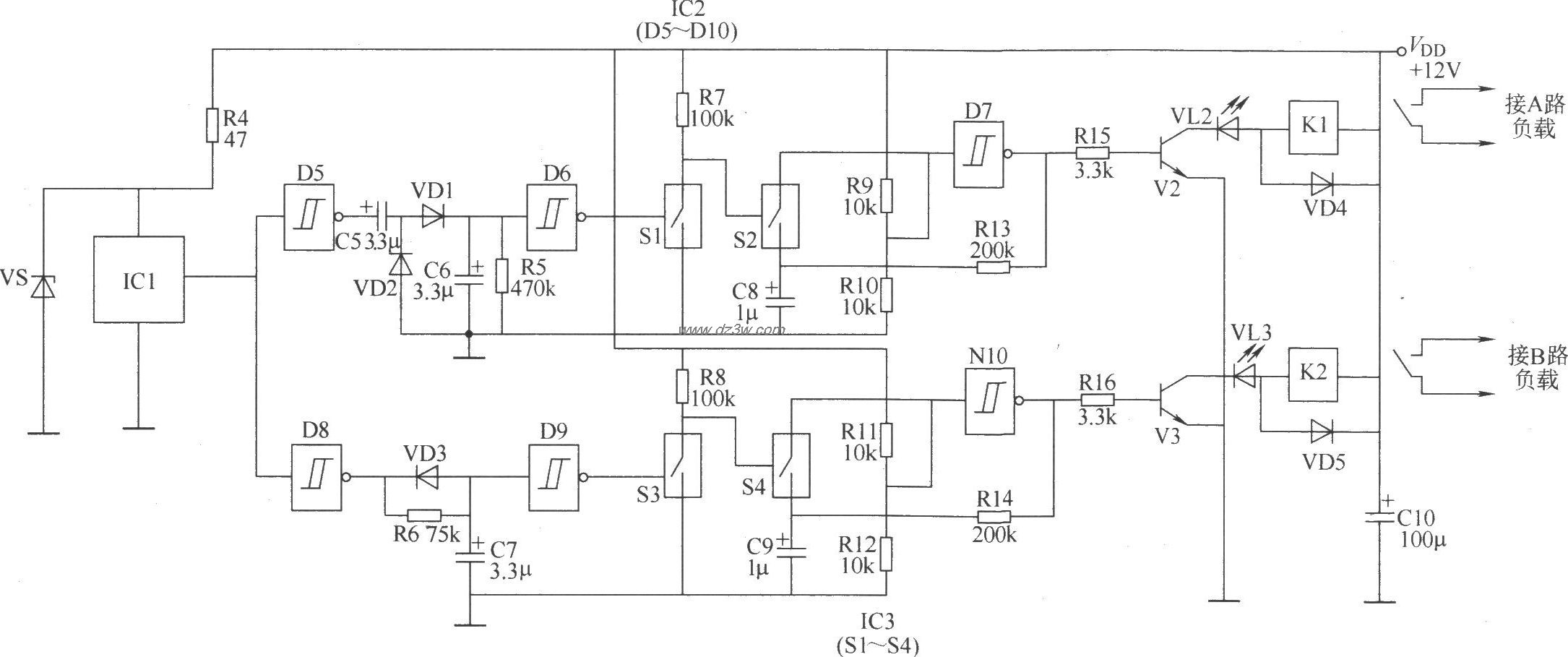
红外遥控接收控制电路 元器件选择 R1~R16选用1/4W碳膜电阻器或金属膜电阻器。
C1和C2均选用高频瓷介电容器;C3选用独石电容器;C4~C10均选用耐压值为16V的铝电解电容器。
VD1~VD3均选用1N4148型硅开关二极管;VD4和VD5选用1N4001或1N4007型硅整流二极管。
VL1选用电视机用红外发光二极管,例如SE303A等型号;VL2和VL3均选用ф5mm的发光二极管,VL2选红色,VL3选绿色。
V1选用S9013或S9014、3DG9013型硅NPN晶体管;V2和V3选用C8050或S8050、3DG8050型硅NPN晶体管。
IC0选用CD4011或74HC00型四与非门集成电路;IC1选用与VL1配套的一体化红外遥控接收头;IC2选用CD40106或MC14584型六非门施密特触发器集成电路;IC3选用CD4066型四模拟电子开关集成电路。
S选用微型动合(常开)型按钮。
K1和K2均选用12V直流继电器,其触头电流容量应根据受控负载的功率而定。若负载的功率为200W以内,则触头电流容量应选2A;若负载的功率大于500W,则应选用触头电流容量大于5A的继电器。