该红外线遥控开关电路由红外遥控发射器和红外遥控接收控制器两部分组成,如图所示。

红外遥控发射器

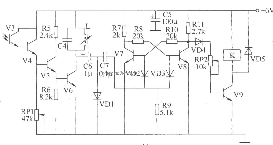
红外接收控制器 调节RP1的阻值,可以改变红外光接收放大电路的灵敏度。
调节RP2的阻值,可以改变继电器K动作的灵敏度。
元器件选择 R1~R11选用1/4W碳膜电阻器或金属膜电阻器。
RP1和RP2均选用膜式可变电阻器。
C1、C2和C7选用独石电容器或涤纶电容器;C3、C5和C6均选用耐压值为16V的铝电解电容器;C4选用高频瓷介电容器。
L用φ0.12mm的漆包线在LHV10骨架上绕530匝后制成。
VD1选用2AP9型锗普通二极管;VD2、VD3均选用1N4148型硅开关二极管;VD4选用1N4001型硅整流二极管。
VL选用HG401或HG505等型号的红外发光二极管。
V1、V2、V4~V8均选用S9013型硅NPN晶体管;V3选用3DU5型光敏晶体管;V9选用S8050或C8050、3DG8050型硅NPN晶体管。
K选用JRX-13F型6V直流继电器。