该红外遥控开关电路由红外遥控发射器电路和红外遥控接收控制电路组成。
红外遥控发射器电路由时基集成电路IC1、控制按钮S1~S8、电源开关S9、电阻器R1、R2、电位器RP1~RP8、红外发光二极管VL1、电容器C1、C2和电池GB组成,如图所示。

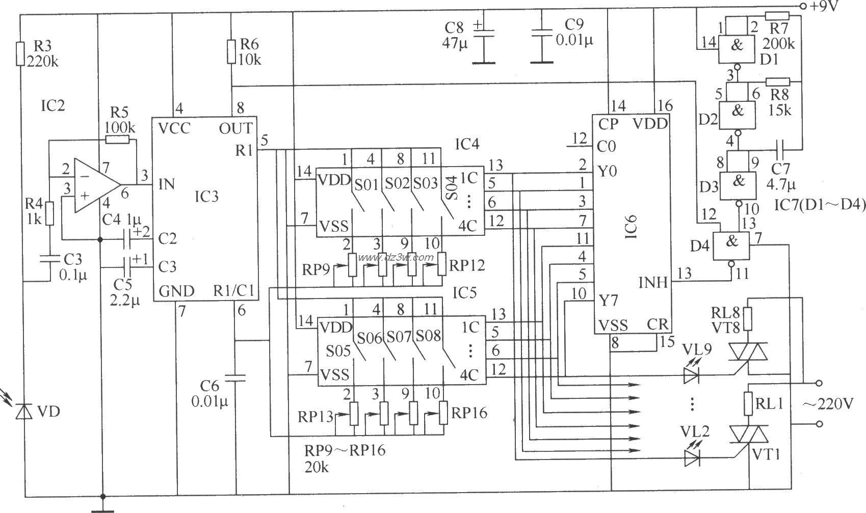
红外遥控发射器电路 红外遥控接收控制电路由运算放大器集成电路IC2、音频译码集成电路IC3、电子开关集成电路IC4、IC5、八进制计数/译码器集成电路IC6、四与非门集成电路IC7、电阻器R3~R8、电容器C3-C9、电位器RP9~RPl6、红外光敏二极管VD、发光二极管VL2~VL9、晶闸管VT1~VT8组成,如图所示。

红外遥控接收控制电路 调整RP1~RP8和RP9~RP16的阻值,使8路遥控编码和译码的频率相对应。
元器件选择 R1~R8选用1/4W金属膜电阻器或碳膜电阻器。
RP1~RP16均选用小型膜式可变电阻器。
C1~C3、C6和C9均选用独石电容器;C4、C5、C7和C8均选用耐压值为16V的铝电解电容器。
VL1选用SE303A型红外发光二极管;VL2~VL9均选用φ3mm的高亮度发光二极管。
VD选用PH302型红外光敏二极管。
IC1选用NE555或5G555型时基集成电路;IC2选用µA741或LM741型运算放大器集成 电路;IC3选用LM567型音频译码器集成电路;IC4和IC5均选用CIM066型电子开关集成电 路;IC6选用CD4022型八进制计数/脉冲分配器集成电路;IC7选用CD4011型四与非门集 电路。
VT1~VT8均选用3~10A(应根据负载功率而定)、600V的双向晶闸管。
S1~S8均选用微型动合(常开)按钮;s9选用微型自锁按钮开关。