⭐ 欢迎来到虫虫下载站!
|
📦 资源下载
📁 资源专辑
ℹ️ 关于我们
⭐ 虫虫下载站
🔐
登录
📝
注册
虫虫下载站
专业电子工程师资源平台
📤 上传资源
🏠 首页
📦 资源下载
📁 资源专辑
🔧 热门软件
⭐ 精品资源
🎓 基础知识
📐 电路图
📚 电子书
🔢 在线计算器
🔍 代码搜索
🏠 首页
›
电路图
›
开关电路
›
无线遥控/触摸开关电路
无线遥控/触摸开关电路
📅 发布时间:
2013-08-17 18:30
👁️ 浏览:
3
🏷️ 标签:
无线遥控
触摸开关
电路
TWH9238
CD4013
9011 该
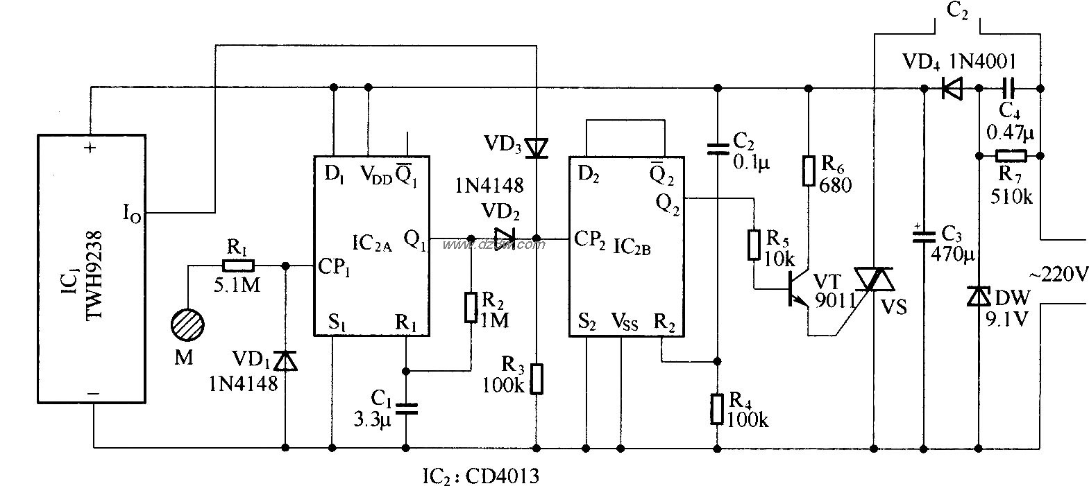
遥控开关电路既可作远距离无线遥控操作,又可在近距离进行触摸控制,使用十分方便。它的组成原理如图所示,主要由无线遥控接收组件、触摸控制电路、双稳态开 关控制电路和电源电路四部分组成。遥控发射电路采用成品组件TWH9236,图中未画出。
觉得这篇文章有帮助吗?
👍 来顶一下 (
65
)
🔐 用户登录
×
加载中...
加载登录表单中...
🎁
免费注册送10积分
×
加载中...
加载注册表单中...
🔑 找回密码
×
加载中...
加载表单中...
🔐
需要登录
×
🔒
登录后即可使用!
🎁
新用户注册立即送10积分
积分可用于下载资源,免费获取优质技术资料
🚪
退出登录
×
👋
确认要退出登录吗?
退出后需要重新登录才能下载资源