声光双控照明灯电路

📅 发布时间:2013-08-17 17:30 👁️ 浏览:11 🏷️ 标签: 声光双控 照明灯 电路

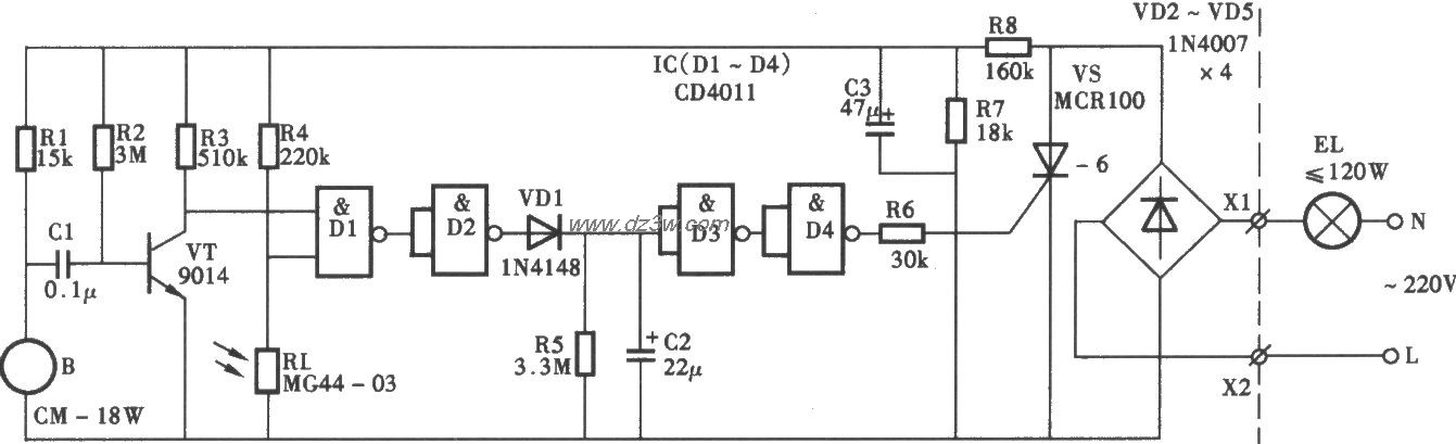
声光双控照明灯电路

声光双控照明灯电路(一)
声光双控照明灯电路(二)

 


觉得这篇文章有帮助吗?