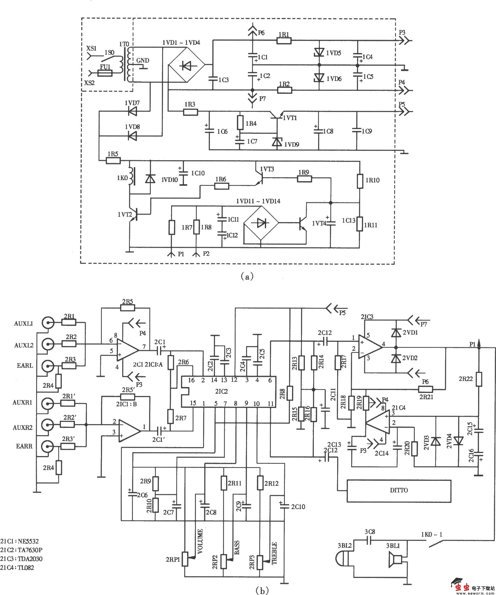
可直接驳接各种音源设备的有源音箱电路

📅 发布时间:2013-10-10 11:30 👁️ 浏览:1 🏷️ 标签: 设备 有源音箱 电路

可直接驳接各种音源设备的有源音箱电路 (g)电源及喇叭保护电路;(b)前级放大电路

觉得这篇文章有帮助吗?