KJZl2主要用在大功率直流电机,可逆系统正转、反转可控硅的触发控制。与调节保护板KSAF配套使用可构成多功能、高性能、无环流系统。也可以与其它调节器配套使用,构成不同性能,不同要求的其它系统。该板具有以下特点: a.同步端加有滤波网络,不易受电源波形畸变的干扰。 b.只需三个同步电压,能很方便地与系统匹配。 C.输出是脉冲列式的双脉冲,脉冲变压器体积小,对于各种宽度的脉冲可以使用统一的脉冲变压器。 d.由于使用了专门设计的KJ004、KJ001、KJ042以及F741集成电路,控制板体积小,调整维修方便。 e.该板加有逻辑切换以及互锁延时部分,可靠性高。 电参数: 交流同步电压:三相380/30 A/Yll。该板具有RC滤波网络,相位滞后30°,而△/Yll相位超前30°。所以这种接法正好同步。 同步工作电流:2-3mA(有效值)。若同步电压值偏离30V太大,必须要换电阻R31、如、 R37,以保证同步电流。 移相电压:0~ 8V。 输出脉冲形式:脉冲列调制式、双窄脉冲。脉宽750µs左右。 脉冲列频率:5~10kHz。 输出级允许负载电流(吸收):≤800mA。 脉冲前沿≤1µs。 电源电压:Vcc (15V±5V)%,VEE-(15V 5V)%,Icc≤300mA,IEE≤100mA。 允许使用环境温度:-l0~ 70℃。

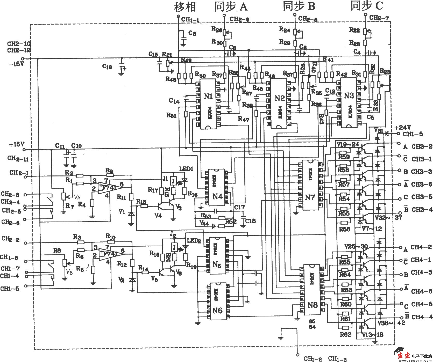
KJZ12可控硅控制板电原理图

KJZ12板KJ004波形

比较器及互锁沿时开关特性