
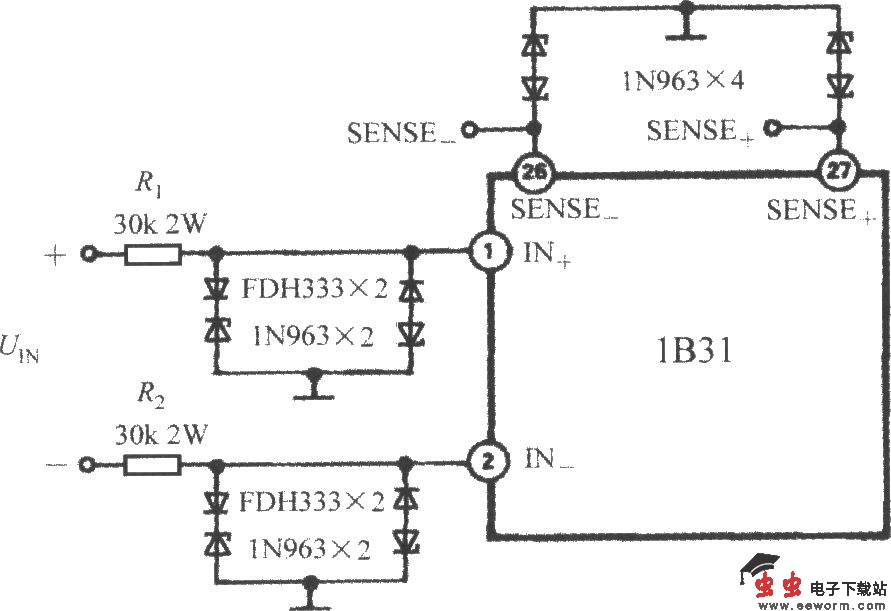
在工业现场测量时需要给1B31设计输入保护电路,防止其输入端因意外受220V交流电源的瞬时短路而损坏。输入保护电路如图所示。选择高导电率、低泄漏电流的FDH333型二极管,与1N963型稳压管组成双向限幅电路并联在输入端,可将输入电压钳位到±12.5V范围内。FDH333的平均整流电流为200mA,反向耐压为125V,反向漏电流仅为1nA,最大压降为1.0V,结电容为6.0pF。1N963的稳定电压约为12.5V,工作电流为10.5mA。在0.1Hz~ 1kHz频率范围内,串联在差分输入端的电阻R1和R2,可将1B31的噪声电压峰-峰值降低到4.2μV。在SENSE 、SENSE-端之间,可分别采用由两只1N963反极性串联后组成的双向限幅电路。