
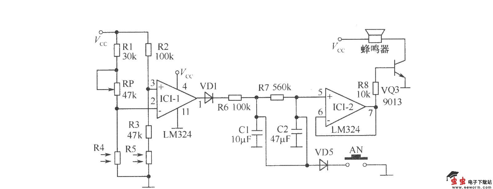
煤气炉一旦因故熄火而又没有及时发现,将是十分危险的。虽然某些高级煤气炉有自动熄火控制保护装置,但价格高难以普及。如图所示为煤气炉熄火报警装置,可以对煤气炉进行监视和报警。电路核心器件是LM324四运放。IC1-1作比较器,IC1-2作跟随器;R4、R5为光敏电阻,其阻值随光照强度而变化;AN为复位开关,用于泄放电容C1、C2的电荷;使用时,首先把光敏电阻R4对准火焰,转动“调节旋纽”使报警器不报警。用手挡住火焰,此时应发出报警声。一般调节两三次即可达到要求。该电路使用9V叠层电池。

煤气炉一旦因故熄火而又没有及时发现,将是十分危险的。虽然某些高级煤气炉有自动熄火控制保护装置,但价格高难以普及。如图所示为煤气炉熄火报警装置,可以对煤气炉进行监视和报警。电路核心器件是LM324四运放。IC1-1作比较器,IC1-2作跟随器;R4、R5为光敏电阻,其阻值随光照强度而变化;AN为复位开关,用于泄放电容C1、C2的电荷;使用时,首先把光敏电阻R4对准火焰,转动“调节旋纽”使报警器不报警。用手挡住火焰,此时应发出报警声。一般调节两三次即可达到要求。该电路使用9V叠层电池。