这里介绍的断相保护器具有可以用在主干网,也可以用在电动机上。此断相保护器具有的功能,包括相序异常、错相保护、断相保护、三相电压不平衡偏差较大保护(电压允许波动范围在90%Ue~110%Ue,任意一相或者两相断相均能起到保护作用.三相电压不对称度≥13%时能可靠的动作)等。断相保护器电路原理图见图1所示。
工作原理介绍如下:
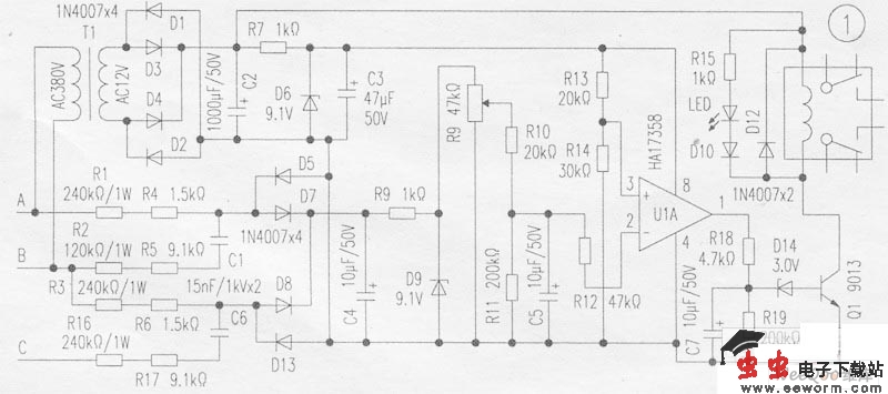
A、B、C并接于AC380V动力线电网的A、B、C三相上,由R1、R4、R2、R5、C1、R3、R6、R16、R17、C6组成的移相电路。在相序正确、不缺相的正常电压下,则由二极管D5、D7、D8、D13组成的整流输入端的矢量电压较小,整流后的电压也小。当缺相和相序错误时,则输出电压瞬时上升到13v左右。经V4滤波、R8限流后,由D9稳压,R9、R10、R11降压匹配后经C5滤波.经限流电阻R12输入给比较器LM358的②脚,作为被检测的信号电压。
供电由380V/13V变压器接于A、B两相。经C2滤波、R7限流降压、D6稳压、C3再次滤出瞬时波后,一路做LM358的供电,另一路由R13、R14分压后产生5—7V的基准电压。输入给LM358的③脚。经LM358电压比较器输出比较后的判断信号。经稳压和限压电路后(C7、D14是提高门限电压,防止单个脉冲电压干扰误动作),由O1驱动继电器动作。ABC接入电网中如果相序正确,且没有缺相现象JDQ1动作吸合。一但有缺相和相序错误的时候,JDQ1立即释放,主干线继电器失电释放。
原外线接线存在的缺点是:当主干线继电器的触点接触不良,或者被电火花烧毁时,主干线继电器还能照常接通。笔者将其改进后如图2所示.这样就不会出现因继电器触点烧结,导致主继电器不能分离的弊端了。

电机相位断相保护器电路图
觉得这篇文章有帮助吗?