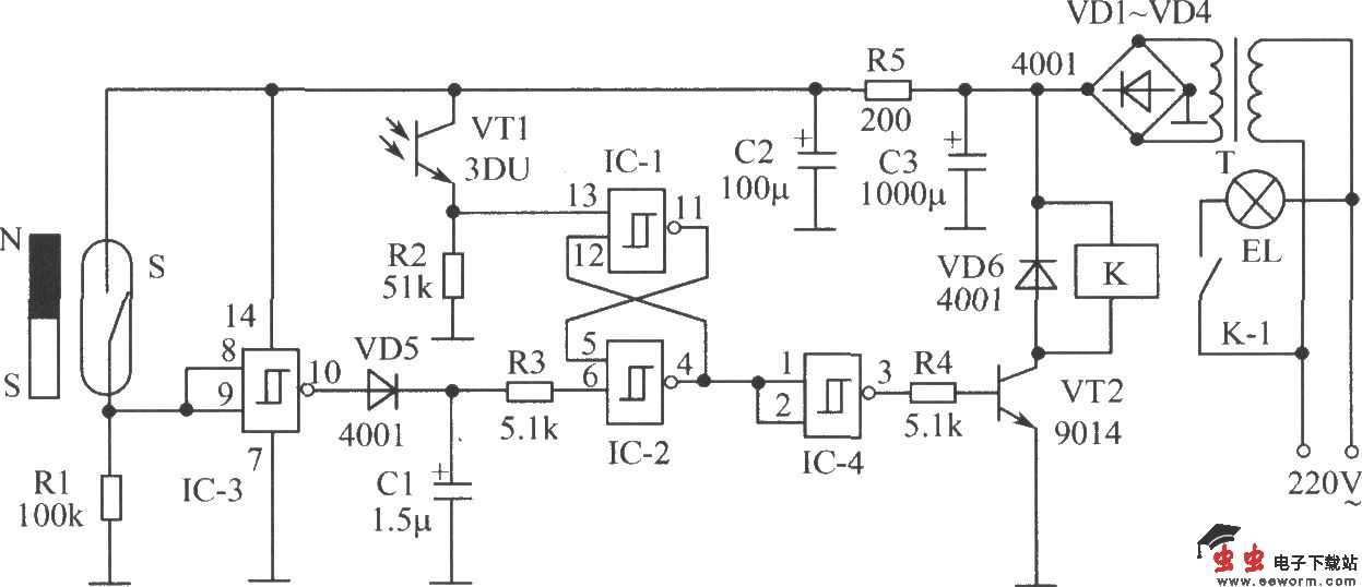
夜晚回家,打开门后要摸黑找电灯开关;或者晚上外出,关灯后要摸黑锁门,这些都带来一定的不便。如图所示的门控电灯开关电路,夜晚当你回家打开门后,室内电灯立即自动点亮;或者当你晚上开门外出时,门外楼道灯即自动点亮,并持续40s后自动关闭,给你带来方便。在白天,被控电灯不亮。整机电路由门控开关、光控开关、延时电路、RS触发器、执行电路和电源电路组成。元器件选择:集成电路IC选用CMOS四施密特与非门CD4093。VT1选用3DU型光敏三极管。VT2选用S9014型晶体管,要求β≥60,也可用其他型号的NPN型硅管,ICM≥100mA,PCM≥400mW即可。二极管选用1N4001或者2CP系列。电源变压器选用3W、次级交流电压4.5V的。继电器K选用工作电压6V、工作电流≤30mA的小型直流继电器,触点负荷视所控制的照明灯泡功率而定,例如用40W灯泡,触点负荷≥0.2A×220V即可,也可几组接点并联使用以提高负荷能力。S选用常开接点干簧管。磁铁选用与干簧管长度相当的小条形永久磁铁,可从废旧耳机或磁性铅笔盒中拆取。阻容元件按图选取,无特殊要求。 光敏三极管构成的门控电灯开关电路
夜晚回家,打开门后要摸黑找电灯开关;或者晚上外出,关灯后要摸黑锁门,这些都带来一定的不便。如图所示的门控电灯开关电路,夜晚当你回家打开门后,室内电灯立即自动点亮;或者当你晚上开门外出时,门外楼道灯即自动点亮,并持续40s后自动关闭,给你带来方便。在白天,被控电灯不亮。整机电路由门控开关、光控开关、延时电路、RS触发器、执行电路和电源电路组成。元器件选择:集成电路IC选用CMOS四施密特与非门CD4093。VT1选用3DU型光敏三极管。VT2选用S9014型晶体管,要求β≥60,也可用其他型号的NPN型硅管,ICM≥100mA,PCM≥400mW即可。二极管选用1N4001或者2CP系列。电源变压器选用3W、次级交流电压4.5V的。继电器K选用工作电压6V、工作电流≤30mA的小型直流继电器,触点负荷视所控制的照明灯泡功率而定,例如用40W灯泡,触点负荷≥0.2A×220V即可,也可几组接点并联使用以提高负荷能力。S选用常开接点干簧管。磁铁选用与干簧管长度相当的小条形永久磁铁,可从废旧耳机或磁性铅笔盒中拆取。阻容元件按图选取,无特殊要求。 觉得这篇文章有帮助吗?