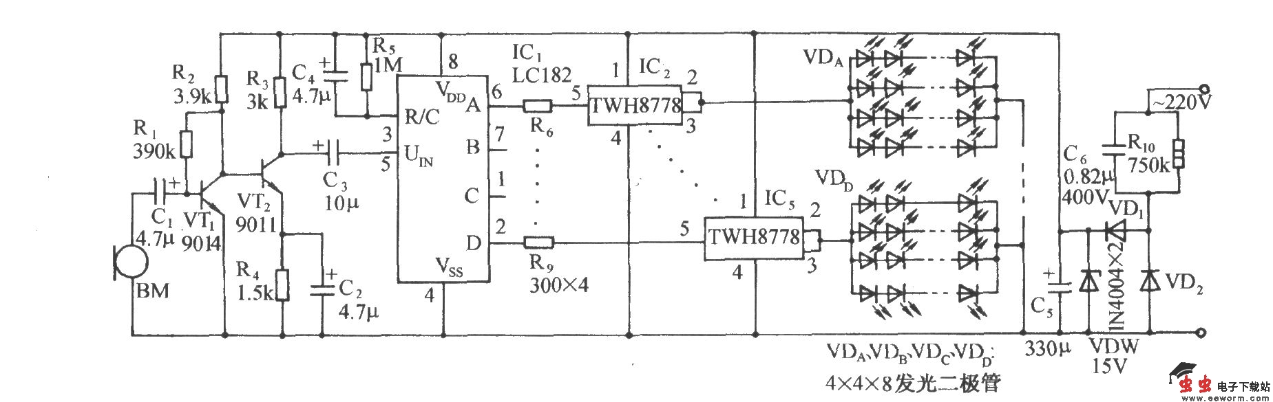
LC182音频压控圣诞树彩灯控制电路

📅 发布时间:2013-10-08 10:45 👁️ 浏览:0 🏷️ 标签: 182 LC 音频 压控

本电路图所用到的元器件:

LC182 9011 9014 TTWH8778

电路如图所示。它包括拾音信号放大器、LC182灯控电路、功率驱动开关电路、多色发光二极管和交流降压整流电路等。

觉得这篇文章有帮助吗?