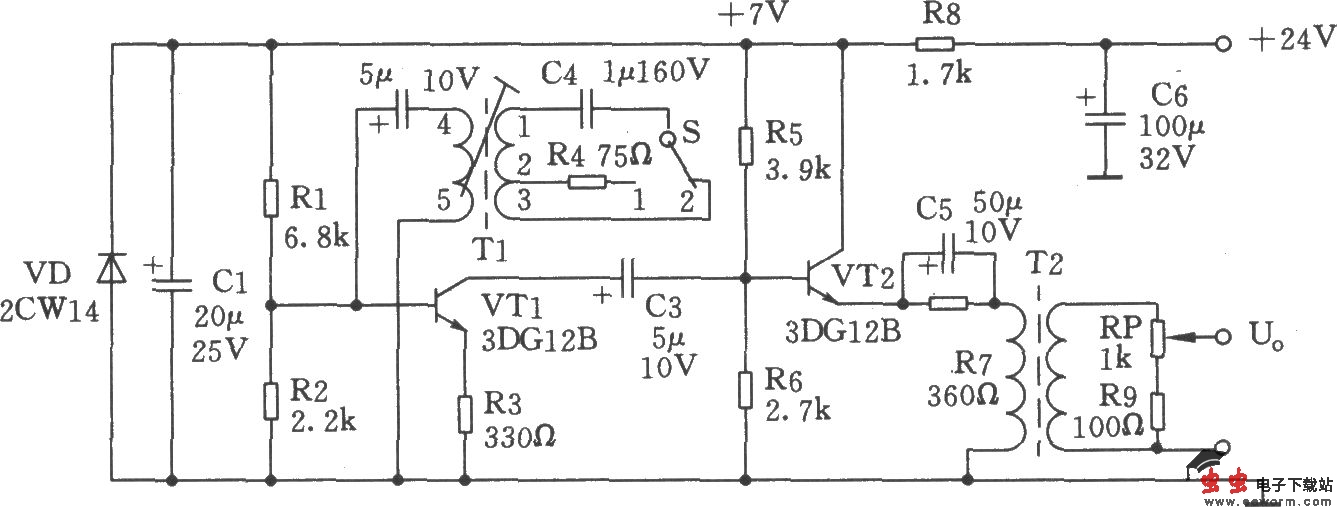
如图所示的450/800Hz振荡电路是一只变压器耦合振荡器。该频率的变换是通过改变振荡槽路变量器Tl的抽头取得不同电感量来实现。将信号控制开关S扳向“1”挡,振荡回路C4与Tl的l-2端并接,频率为800Hz,经VT2射极输出至RP电位器的可调臂输出。通过调节电位器RP可改变800Hz输出大小。振荡回路中的电阻R4供调节800Hz振荡幅度。将S扳向“2”挡时,C与T1的1-3相接,振荡频率即为450Hz。调节T1螺纹调节杆可微调振荡器的振荡频率。
如图所示的450/800Hz振荡电路是一只变压器耦合振荡器。该频率的变换是通过改变振荡槽路变量器Tl的抽头取得不同电感量来实现。将信号控制开关S扳向“1”挡,振荡回路C4与Tl的l-2端并接,频率为800Hz,经VT2射极输出至RP电位器的可调臂输出。通过调节电位器RP可改变800Hz输出大小。振荡回路中的电阻R4供调节800Hz振荡幅度。将S扳向“2”挡时,C与T1的1-3相接,振荡频率即为450Hz。调节T1螺纹调节杆可微调振荡器的振荡频率。