简易的高低频信号发生器电路

📅 发布时间:2013-10-07 19:55 👁️ 浏览:5 🏷️ 标签: 低频信号 发生器电路

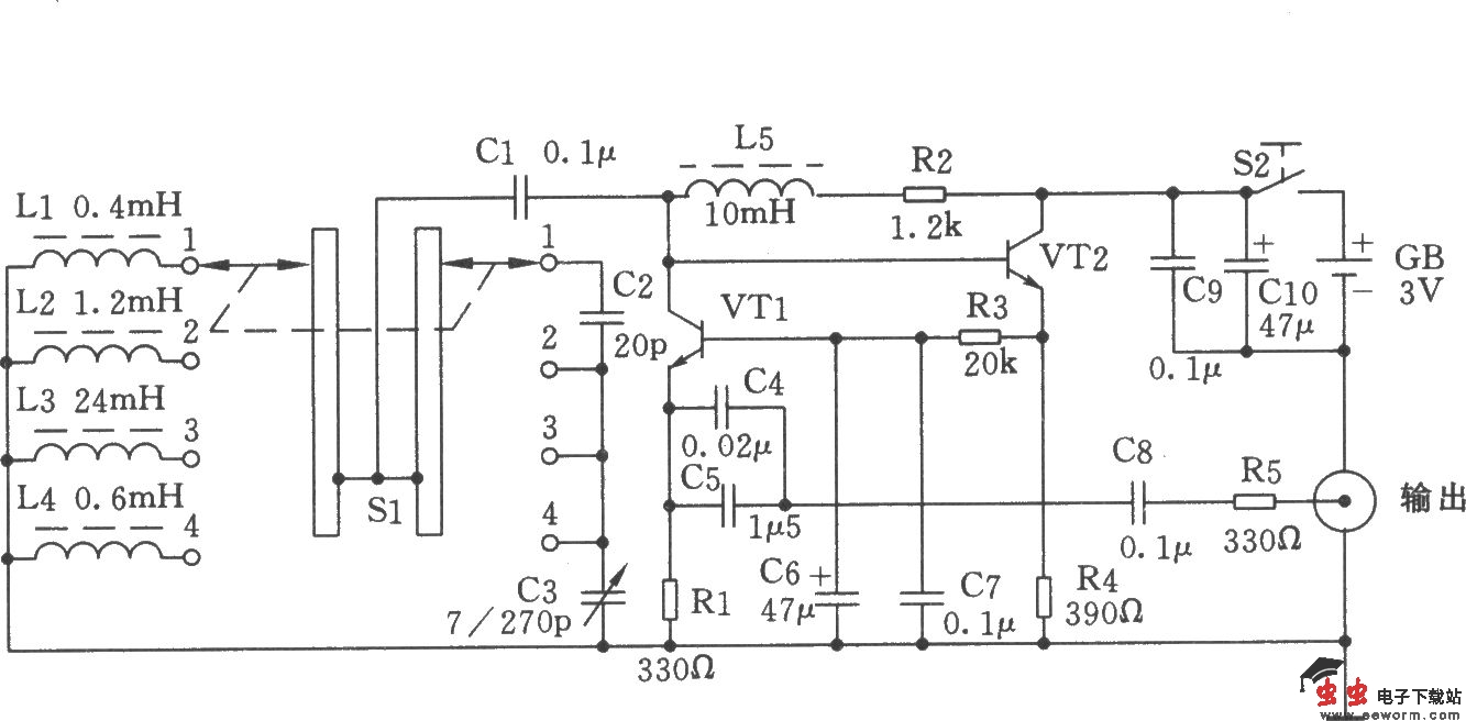
如图所示为简易的高低频信号发生器 。用波段开关Sl改变LC谐振回路中的电感值,即可改变高频振荡频率范围。本机可分四个阶段:

第一阶段为0.4~2MHz;

第二阶段为2~10MHz;

第三阶段为9~45MNz;

第四阶段为60~110MHz。

元器件选择:

VTl、VT2选用fT≥800MHz、β≥100的NPN型硅管,如9018、C535等。电阻全部用1/8W碳膜电阻。电容C5用独石电容,其它用瓷片电容即可。L2、L3、L4、L5用高频磁性电感器,也可自行绕制。Ll用Φ0.6mm高强度漆包线,平密绕8匝,绕成Φ7mm内径的脱胎线圈。Sl用双刀四掷波段开关。

觉得这篇文章有帮助吗?