可控硅过零触发器KC07能使双向可控硅的开关过程在电源电压为零或电流为零的瞬间进行触发。这样,负载的瞬态浪涌电流和射频干扰最小,可控硅的使用寿命也可以提高。该电路可作单相或三相电机和电器的无触点开关。适用于电感性负载的过零触发及感性负载的调功触发。KC07可采用自生直流稳压电源,也可以采用外接电源。 电参数如下: 电源电压: a.外接直流电压 (12~16)V。 b.自生直流电源电压: (12~14)V。 电源电流:≤l8mA。 零检测输入端最大峰值电流:10mA。 输出脉冲: a.脉冲幅度:>13V。 b.最大输出能力:50mA(脉冲宽度400µs以内),可扩展。 C.输出反压:BVceo≥l8V(测试条件:Ie=100pA)。 输入控制电压:“l”电平或“0”电平。 自生电压输入峰值电流:8mA。 允许使用环境温度:-l0~70℃。
KC07引脚图 零电流检测限流电阻R2的选择可按下式计算:


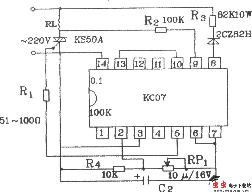
KC07的应用电路

KC07各点波形图 如果要得到大于200mA的触发电流,按下图所示接法。

电流扩展接法