
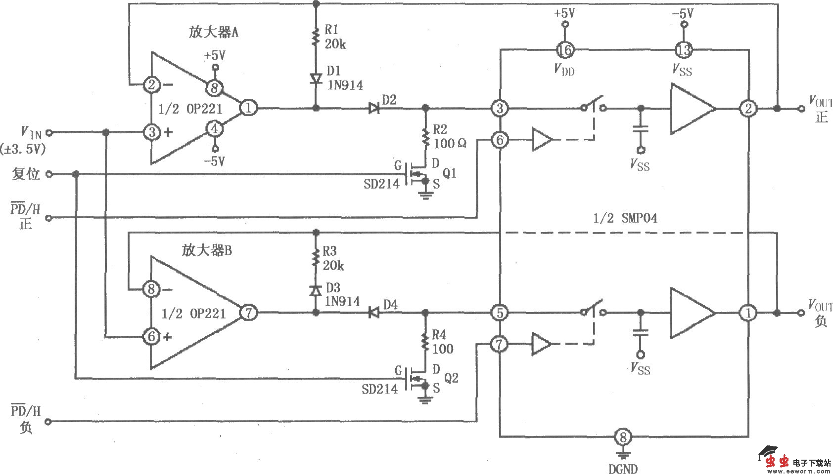
如图所示为由SMP04与运放构成的具有保持控制的正、负峰值检波电路。放大器A用于正峰值检波,放大器B用于负峰值检波。假定SMP04内部采样保持开关闭合,当正输入电压VIN上升时,正峰值检波放大器A输出使D2导通、D1截止,放大器A的反馈回路断开,采样保持放大器SMP04输出“VOUT正”跟踪输入变化。相反,负峰值检波放大器B输出使D4截止、D3导通,采样保持放大器SMP04输出“VOUT负”保持最后一次最大输入负峰值电压。正输入电压 VIN从最大值下降,当低于保持电容上电压时,D2截止、D1导通,采样保持放大器SMP04输出“VOUT正”,保持在此之前保持电容上的正输入电压VIN最大值(峰值);同理,负峰值检波放大器B输出使D4导通、D3截止,采样保持放大器SMP04输出“VOUT负”开始跟踪输入变化。由此反复工作,将正和负峰值电压检波出来分别由“VOUT正”和“VOUT负”端输出。在峰值保持阶段,PD非/H控制信号为高电平,SMP04内部采样保持开关断开,可以减小保持电容的漏电流。当“复位”信号为高电平时,Q1、Q2导通,将SMP04输入端钳位到零,即产生复位。