用CC4066组成的振荡器

📅 发布时间:2013-10-05 06:15 👁️ 浏览:1 🏷️ 标签: 4066 CC 振荡器

用CC4066组成的振荡器

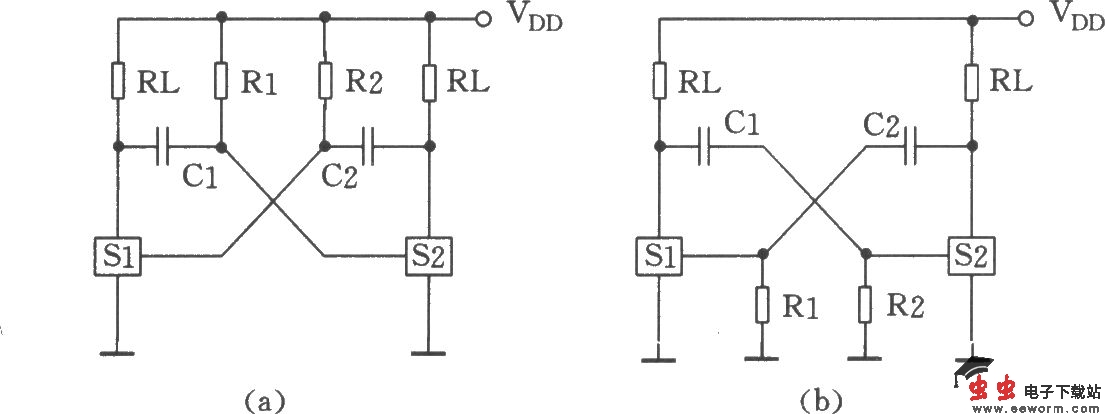
如图是用CMOS的模拟电子开关CC4066组成的振荡器。图中用两只电子开关构成正反馈电路,图电路振荡比较稳定。振荡频率电阻容元件决定。由于模拟开关在转折电压(1/2VDD)附近特性良好,因此输出的脉冲前后沿良好。当Rl=R2,Cl=C2时,电路产生方波,f=1/2RC。

觉得这篇文章有帮助吗?