暖房或大棚防结露自动排气拌鸟鸣发声电路

📅 发布时间:2013-10-03 10:45 👁️ 浏览:0 🏷️ 标签: 自动 发声 电路

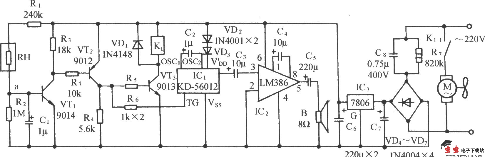
暖房或大棚防结露自动排气拌鸟鸣发声电路

电路如图所示。它由电阻型结露传感器、电子开关、继电器控制排气扇电路、鸟鸣发声电路、音频功放电路和交流降压整流电路等组成。RH是一种电阻型结露传感器,它对高湿度空气特别敏感,并可检测空气中的水蒸气是否将结露。

觉得这篇文章有帮助吗?